QR कोड
आमच्याबद्दल
उत्पादने
आमच्याशी संपर्क साधा


फॅक्स
+86-574-87168065

ई-मेल

पत्ता
Luotuo औद्योगिक क्षेत्र, Zhenhai जिल्हा, Ningbo शहर, चीन
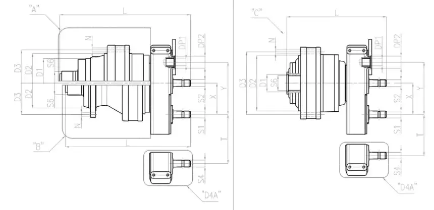
| मॉडेल | PG-702 | PG-1002 | PG-1602 | PG-1802 | PG-2502 | PG-3002 | PG-3503 | |||
| गुणोत्तर i | 18.2 | 18.3 | 13.4-33.6 | १५.७-२९.९ | 14.6-20-36.2 | 45.3 | 53.7 | |||
| आउटपुट प्रकार | B | B | B | C | B | C | A | C | C | C |
| D1 |
|
|
|
88HB |
|
88HB | 245F7 | 102H7 | 102H7 | 122HF |
| D2 | 200F7 | 230F7 | 230F7 | 278F7 | 230F | 278F7 | 340F7 | 340F7 | 340F7 | 340F7 |
| D3 | 250 | 295 | 295 | 314 | 295 | 314 | 370 | 370 | 370 | 370 |
| N | ∅15×N°12 | ∅17×N°10 | ∅17×N°10 | ∅15×N°18 | ∅17×N°10 | ∅15×N°18 | ∅17×N°15 | ∅17×N°15 | ∅17×N°15 | ∅17×N°15 |
| L | 646.5 | 627.5 | 693 | 490.5 | 714 | 499.5 | 798.5 | 595.5 | 601 | 680.5 |
| S6 | 70*64 DIN5482 | 80*74 DIN5482 | 100*94 DIN5482 | 80*74 DIN5482 | 100*94 DIN5482 | 80*74 DIN5482 | 100*94 DIN5482 | 100*94 DIN5482 | 100*94 DIN5482 | 120*22*5 DIN5482 |
| S1 | 1" 3/8 Z6 | 1" 3/8 Z6 | 1" 3/8 Z6 | 1" 3/8 Z6 | 1" 3/8 Z6 | 1" 3/8 Z6 | 1" 3/8 Z6 | 1" 3/8 Z6 | 1" 3/8 Z6 | 1" 3/8 Z6 |
| S2 | 1" 3/8 Z6 | 1" 3/8 Z6 | 1" 3/8 Z6 | 1" 3/8 Z6 | 1" 3/8 Z6 | 1" 3/8 Z6 | 1" 3/8 Z6 |
|
|
|
| DP1 | 40*36 DIN5482 | 40*36 DIN5482 | 40*36 DIN5482 | 40*36 DIN5482 | 40*36 DIN5482 | 40*36 DIN5482 | 40*36 DIN5482 | 40*36 DIN5482 | 40*36 DIN5482 | 40*36 DIN5482 |
| DP2 | 60.3HB | 60.3HB | 60.3HB | 60.3HB | 60.3HB | 60.3HB | 60.3HB | 60.3HB | 60.3HB | 60.3HB |
| X | 157 | 157 | 157 | 157 | 157 | 157 | 157 | 157 | 157 | 157 |
| Y | 262 | 262 | 262 | 262 | 262 | 262 | 262 | 262 | 262 | 262 |
| S4 |
|
|
|
1" 3/8 Z6 |
|
1" 3/8 Z6 |
|
1" 3/8 Z6 | 1" 3/8 Z6 | 1" 3/8 Z6 |
| T |
|
|
|
156.8 |
|
156.8 |
|
156.8 | 156.8 | 156.8 |
| मॉडेल | गुणोत्तर i | D1 | D2 | D3 | D4 | N | E |
| PG-1602 | 22.14-33.6 | 80*74 DIN5482 | 225 F7 | 278 F7 | 314 | ∅15×N°18 | SAE B/SAE C |
| PG-2502 | 20-36.2 | 100*94 DIN5482 | 245 F7 | 340F7 | 370 | ∅17×N°15 | SAE B/SAE C |
| मॉडेल | गुणोत्तर i | D1 | D2 | D3 | N | E |
| PG-161 | ३.५५-२.४९-५.६० | 40*36 DIN5482 | 110 F7 | 165 | ∅10.5×N°8 | SAE A/SAE B/SAE BB/OMTS |
| PG-251 | ४.१३-५.१७-६.०० | 58*53 DIN5482 | 150 F7 | 195 | ∅13×N°10 | SAE A/SAE B/SAE BB/OMTS |
| PG-501 | ४.१३-५.१७-६.०० | 58*53 DIN5482 | 150 F7 | 195 | ∅13×N°10 | SAE A/SAE B/SAE BB/OMTS |
चा विकासPG मालिका फीड मिक्सर प्लॅनेटरी गिअरबॉक्सपारंपारिक मिक्सिंग उपकरणांच्या ट्रान्समिशन सिस्टमच्या वेदना बिंदूंच्या खोल अंतर्दृष्टीतून उद्भवते. तिची थ्री प्लॅनेटरी गियर डिस्ट्रिब्युटेड ट्रान्समिशन आर्किटेक्चर म्हणजे यांत्रिक संरचनांचे साधे स्टॅकिंग नाही, परंतु वेगवेगळ्या कच्च्या मालाच्या गुणोत्तरांखाली तणावाच्या परिस्थितीचे वारंवार अनुकरण करून, गियर मॉड्यूलस, टूथ रुंदी आणि हेलिक्स कोन यांचे सोनेरी संयोजन शेवटी निश्चित केले जाते. उदाहरणार्थ, कॉर्न स्टॉल्स आणि सोयाबीन पेंडीच्या मिश्रणावर प्रक्रिया करताना, त्याच्या अनोख्या दात डिझाइनमुळे मटेरियल जॅम होण्याचा धोका 15% कमी होतो. उच्च-सुस्पष्टता ग्राइंडिंग प्रक्रियेसह, दातांच्या पृष्ठभागाचा खडबडीतपणा Ra0.8 च्या खाली नियंत्रित केला जातो, ज्यामुळे पारंपारिक गीअरबॉक्सच्या तुलनेत प्रसारण कार्यक्षमता 8%-10% वाढते. फीड फॅक्टरीचा मोजलेला डेटा दर्शवितो की दररोज 12 तासांच्या सतत ऑपरेशनमध्ये, या गियरबॉक्सचा उर्जा वापर समान उत्पादनांच्या तुलनेत 14% कमी आहे आणि मिक्सिंग शाफ्टचे टॉर्क उतार-चढ़ाव मोठेपणा 22% ने कमी केले आहे, ज्यामुळे मिक्सिंग एकसमानता लक्षणीयरीत्या सुधारते.
वाळू, दगड आणि धातूचा ढिगारा यांसारख्या कठीण कणांसाठी जे सहसा फीड कच्च्या मालामध्ये मिसळले जातात, या गिअरबॉक्सला सामग्री आणि प्रक्रियांच्या दृष्टीने लक्ष्य केले गेले आहे. गीअर बॉडी 20CrMnTi मिश्र धातु स्टीलची बनलेली आहे. कमी-तापमान टेम्परिंग प्रक्रियेसह 1.2 मिमीच्या कार्ब्युराइजिंग खोलीसह शमन उपचार केल्यानंतर, दातांच्या मुळाशी झुकण्याची थकवा शक्ती 850MPa पेक्षा जास्त वाढविली जाते. एका शेतात अपूर्ण कच्च्या मालाच्या तपासणीच्या अत्यंत कामाच्या परिस्थितीत, त्याच्या खड्ड्याचा प्रतिकार सतत 500-तासांच्या वाळू आणि रेव परिणाम चाचणीचा सामना करत आहे आणि दाताच्या पृष्ठभागावर सोलून न काढता फक्त थोडेसे ओरखडे दिसू लागले आहेत. त्याच वेळी, रिब प्लेट लेआउट आणि प्लॅनेटरी कॅरिअरचे बेअरिंग प्रीलोड ऑप्टिमाइझ करून, गियरबॉक्स 1.5 पट रेट केलेल्या टॉर्कच्या तात्कालिक प्रभावाच्या अधीन असताना, ओव्हरलोडमुळे गीअर चुकीचे संरेखन किंवा दात तुटण्याचा धोका टाळून ट्रान्समिशन अचूकता राखू शकतो.
फीड प्रोसेसिंग इंडस्ट्रीमधील ऑपरेशन आणि मेंटेनन्सच्या वेदना बिंदूंच्या सखोल आकलनातून गिअरबॉक्सची बुद्धिमान रचना तयार केली जाते. त्याचे अंगभूत इंटेलिजेंट मॉनिटरिंग मॉड्यूल हे साधे डेटा संग्राहक नाही, परंतु अल्गोरिदम मॉडेलद्वारे तापमान, कंपन, वर्तमान आणि इतर सिग्नलचे क्रॉस-विश्लेषण आहे. उदाहरणार्थ, जेव्हा बेअरिंगचे तापमान असामान्यपणे जास्त असल्याचे आढळून येते, तेव्हा ते अपुरे स्नेहन किंवा बेअरिंग पोशाख आहे की नाही हे निर्धारित करण्यासाठी सिस्टम लोड इतिहास डेटा एकत्र करेल आणि विशिष्ट देखभाल शिफारसी पुश करेल. ही प्रणाली लागू केल्यानंतर, फीड कंपनीने ग्रीस बदलून आणि बेअरिंग क्लिअरन्स अगोदर समायोजित करून तीन अनियोजित डाउनटाइम टाळले आणि एकूण उपकरणे कार्यक्षमता (OEE) 18% ने वाढली. याव्यतिरिक्त, त्याच्या मॉड्यूलर द्रुत-रिलीज संरचनेचे डिझाइन फ्रंट-लाइन देखभाल कर्मचाऱ्यांच्या अभिप्रायाद्वारे प्रेरित होते. प्लॅनेटरी गीअर सेटची संपूर्ण बदली पूर्ण करण्यासाठी फक्त चार बोल्ट सैल करणे आवश्यक आहे आणि देखभाल वेळ पारंपारिक संरचनेच्या 4 तासांवरून 1.5 तासांपर्यंत कमी केला जातो.
पर्यावरण संरक्षण आणि ऊर्जा कार्यक्षमता ऑप्टिमायझेशनच्या दृष्टीने, गिअरबॉक्सचे नाविन्यपूर्ण डिझाइन खर्च कमी करण्यासाठी आणि कार्यक्षमता वाढवण्यासाठी फीड उद्योगाच्या गरजांच्या अचूक आकलनातून उद्भवते. त्याची उष्मा वितळवण्याची रचना उष्णतेचा अपव्यय क्षेत्र आंधळेपणाने वाढवत नाही, परंतु फ्लुइड मेकॅनिक्स सिम्युलेशनद्वारे सर्पिल कोन आणि उष्णता अपव्यय करणाऱ्या बरगड्यांचे अंतर अनुकूल करते, ज्यामुळे नैसर्गिक उष्णता अपव्यय कार्यक्षमता 30% ने वाढते, ज्यामुळे कूलिंग फॅनचा ऊर्जेचा वापर कमी होतो. स्नेहन प्रणालीमध्ये, भारानुसार तेलाचे प्रमाण गतिमानपणे समायोजित करण्यासाठी, पारंपारिक गिअरबॉक्सेसची "पूर" स्नेहन पद्धत टाळून आणि वंगणाचा वापर 25% कमी करण्यासाठी ड्युअल-झोन ऑइल सप्लाय तंत्रज्ञानाचा अवलंब केला जातो. युरोपमध्ये निर्यात केलेल्या फीड उत्पादन लाइनचे वास्तविक मोजमाप असे दर्शविते की गिअरबॉक्सचा आवाज पातळी EU मानकापेक्षा 5dB कमी आहे आणि त्याची ऊर्जा कार्यक्षमता पातळी IE3 मानकापर्यंत पोहोचते, ज्यामुळे ग्राहकांना आयात करणाऱ्या देशाचे ऊर्जा कार्यक्षमता प्रमाणन यशस्वीपणे पार करण्यास मदत होते. ही डिझाईन संकल्पना जी तांत्रिक तपशिलांना व्यावसायिक मूल्याशी बांधील आहे ती उत्पादन जिंकणाऱ्या बाजारपेठेतील ओळखीची गुरुकिल्ली आहे.
नमस्कार! मी एलेना गार्सिया आहे, बार्सिलोना, स्पेनमधील ग्राहक. आम्ही दीड वर्षांपासून आमच्या फोटोव्होल्टेइक पॅनेल ट्रॅकिंग सिस्टीममध्ये तुमचा प्लॅनेटरी गिअरबॉक्स वापरत आहोत. या उपकरणाने सूर्यप्रकाश ट्रॅकिंग अचूकतेची आमची समस्या पूर्णपणे सोडवली आहे - आम्ही आधी वापरलेल्या गिअरबॉक्समध्ये दररोज सकाळी आणि संध्याकाळी सुमारे 5 अंशांचे ट्रॅकिंग विचलन होते, तर एन्कोडरसह तुमचा ग्रहीय गिअरबॉक्स 0.5 अंशांच्या आत ट्रॅकिंग त्रुटी नियंत्रित करू शकतो. आता फोटोव्होल्टेइक पॅनल्सची सरासरी दैनंदिन वीज निर्मिती पूर्वीच्या तुलनेत 18% वाढली आहे आणि वीज बिल देखील लक्षणीयरीत्या पातळ झाले आहे. आता या प्लॅनेटरी गिअरबॉक्सने समुद्रकिनारी असलेल्या फोटोव्होल्टेइक पॉवर स्टेशनमध्ये मीठ फवारणी आणि जोरदार वाऱ्याच्या चाचणीला तोंड दिले आहे. गीअरबॉक्स हाऊसिंगच्या अँटी-कॉरोझन कोटिंगमध्ये पडण्याची कोणतीही चिन्हे दिसत नाहीत आणि अंतर्गत गियर ऑइल पूर्वीप्रमाणे वारंवार बदलण्याची आवश्यकता नाही. मी तुमच्यासोबत भविष्यात अधिक अक्षय ऊर्जा प्रकल्पांमध्ये काम करण्यास उत्सुक आहे!
मी हॅन्स मुलर, जर्मनीचा मेकॅनिकल इंजिनियर आहे. अर्ध्या वर्षापूर्वी, मी उत्पादन लाइन अपग्रेडसाठी Raydafon चे प्लॅनेटरी गिअरबॉक्सेस खरेदी केले. त्यांचा वापर केल्यानंतर, त्यांनी माझ्या अपेक्षा ओलांडल्या! उच्च-स्निग्धता असलेल्या कच्च्या मालावर प्रक्रिया करण्यासाठी उपकरणे दिवसातील 16 तास जास्त लोडवर चालतात. गीअरबॉक्सचा आवाज 20% ने कमी झाला आहे, प्रेषण कार्यक्षमता 94% पेक्षा जास्त स्थिर आहे, तापमान वाढ नेहमी 25°C च्या आत नियंत्रित केली जाते आणि टिकाऊपणा जुन्या मॉडेल्सपेक्षा कितीतरी जास्त आहे. प्रारंभिक पॅरामीटर ऑप्टिमायझेशन, सीलिंग स्ट्रक्चर ॲडजस्टमेंटपासून ते रिमोट डीबगिंग मार्गदर्शनापर्यंत संपूर्ण प्रक्रियेदरम्यान तुमचा कार्यसंघ व्यावसायिक आणि कार्यक्षम होता. तपशीलवार डिझाइन (जसे की डस्टप्रूफ सील आणि प्रमाणित माउंटिंग होल) वास्तविक कामकाजाच्या परिस्थितीचे सखोल आकलन दर्शवते. Raydafon च्या उत्पादनाची गुणवत्ता आणि सेवेच्या पातळीमुळे मला ते दीर्घकालीन पुरवठादारांच्या यादीत संकोच न करता समाविष्ट केले आणि माझ्या समवयस्कांना याची जोरदार शिफारस केली!
मी बर्याच वर्षांपासून एक फार्म चालवत आहे आणि बरेच गिअरबॉक्स बदलले आहेत. मी Raydafon चा प्लॅनेटरी गिअरबॉक्स वापरत नाही तोपर्यंत मला खरोखरच कळले की चिंतामुक्त होण्याचा अर्थ काय आहे! सायलेज मिक्स करताना मी आधी वापरलेली उपकरणे नेहमी कमी शक्तीची असायची आणि गीअर्स अनेकदा घसरले. तुमचा ग्रहांचा गिअरबॉक्स इतका शक्तिशाली असेल अशी मला अपेक्षा नव्हती. तुमचे उत्पादन मला वाटले त्यापेक्षा स्थापित करणे खूप सोपे आहे आणि ते देखरेख करणे देखील सोपे आहे. मागच्या वेळी मी स्वतः दररोज तपासणी केली असता, मला आढळले की गिअरबॉक्स खूप चांगले सीलबंद आहे आणि तेल गळतीचे कोणतेही चिन्ह नव्हते. मी निश्चितपणे भविष्यात तुमचे समर्थन करत राहीन आणि माझ्या रेन्चर मित्रांना तुमची शिफारस करेन! ----मार्क जॉन्सन
पत्ता
Luotuo औद्योगिक क्षेत्र, Zhenhai जिल्हा, Ningbo शहर, चीन
दूरध्वनी
ई-मेल


+86-574-87168065


Luotuo औद्योगिक क्षेत्र, Zhenhai जिल्हा, Ningbo शहर, चीन
कॉपीराइट © Raydafon Technology Group Co., मर्यादित सर्व हक्क राखीव.
Links | Sitemap | RSS | XML | Privacy Policy |
