QR कोड
आमच्याबद्दल
उत्पादने
आमच्याशी संपर्क साधा


फॅक्स
+86-574-87168065

ई-मेल

पत्ता
Luotuo औद्योगिक क्षेत्र, Zhenhai जिल्हा, Ningbo शहर, चीन
Raydafon चे SWC-WD Short Without Flex Flange Type Universal Coupling हे जड यंत्रसामग्रीमध्ये टॉर्क कार्यक्षमतेने हलविण्यासाठी तयार केले आहे—विचार करा स्टील रोलिंग मिल्स, क्रेन, लिफ्टिंग उपकरणे, हे सर्व हेवी-ड्युटी गियर. यात 180mm ते 1320mm पर्यंतच्या gyration व्यासासह कॉम्पॅक्ट, नॉन-टेलिस्कोपिक फ्लँज डिझाइन आहे. हे शॉर्ट फ्लँज युनिव्हर्सल कपलिंग 15 अंशांपर्यंत कोनीय चुकीचे संरेखन हाताळू शकते आणि 16000 kN·m पर्यंत टॉर्क हाताळू शकते, त्यामुळे जिथे जास्त जागा नाही अशा घट्ट जागेतही ते विश्वसनीयरित्या वीज हस्तांतरित करत राहते. आम्ही ते उच्च-शक्तीच्या 35CrMo स्टीलपासून बनवतो, ज्याला बोल्टची आवश्यकता नसते—जड यंत्रसामग्रीसाठी सार्वत्रिक कपलिंग आणि औद्योगिक अनुप्रयोगांसाठी नॉन-टेलिस्कोपिक युनिव्हर्सल कपलिंगसाठी योग्य. याला जास्त देखरेखीची आवश्यकता नसते आणि ते कायमचे टिकते, जे तुम्हाला कठीण सेटअपमध्ये आवश्यक आहे.
चीनमधील आमचे उत्पादन ISO 9001 मानकांचे पालन करते, त्यामुळे SWC-WD युनिव्हर्सल कपलिंग कठोर परिस्थितीत टिकून राहते. क्रॉस शाफ्ट गंजला प्रतिकार करण्यासाठी क्रोम-प्लेटेड आहे, त्याच्या कडकपणात भर घालते. त्याची कठोर, वेल्डेड फ्लँज डिझाइन इंस्टॉलेशनला एक ब्रीझ बनवते, विशेषत: धातूशास्त्र आणि खाण उपकरणांमध्ये जेथे अक्षीय हालचाल खूपच कमी असते. आम्ही तुमच्या गरजेनुसार आकार सानुकूलित करू शकतो, त्यामुळे हे टिकाऊ शॉर्ट युनिव्हर्सल कपलिंग क्रेन सिस्टम आणि इतर हेवी-ड्यूटी नोकऱ्यांसाठी सानुकूल युनिव्हर्सल कपलिंग म्हणून उत्तम काम करते. आणि किंमत देखील स्पर्धात्मक आहे. Raydafon ची अचूक कारागिरी म्हणजे कमी डाउनटाइम आणि अधिक विश्वासार्ह उपकरणे—जगभरातील औद्योगिक ऑपरेटर ज्यावर विश्वास ठेवू शकतात.
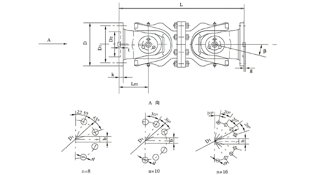
| नाही. | गायरेशन व्यास डी मिमी | नाममात्र टॉर्क Tn KN·m | अक्ष दुमडलेला कोन β (°) | थकलेला टॉर्क Tf KN·m | आकार (मिमी) | वजन (किलो) | |||||||||
| लमिन | D1 (js11) | D2 (H7) | Lm | n-d | k | t | b (h9) | g | लमिन | वाढवा 100 मिमी | |||||
| SWC180WD | 180 | 12.5 | 6.3 | ≤25 | 440 | 155 | 105 | 110 | 8-17 | 17 | 5 | - | - | 0.145 | 52 |
| SWC225WD | 225 | 40 | 20 | ≤१५ | 480 | 196 | 135 | 120 | 8-17 | 20 | 5 | 32 | 9.0 | 0.355 | 82 |
| SWC250WD | 250 | 63 | 31.5 | 560 | 218 | 150 | 140 | 8-19 | 25 | 6 | 40 | 12.5 | 0.831 | 127 | |
| Swc285wd | 285 | 90 | 45 | 640 | 245 | 170 | 160 | 8-21 | 27 | 7 | 40 | 15.0 | 1.715 | 189 | |
| SWC315WD | 315 | 125 | 63 | 720 | 280 | 185 | 180 | 10-23 | 32 | 8 | 40 | 15.0 | 2.820 | 270 | |
| SWC350WD | 350 | 180 | 90 | 776 | 310 | 210 | 194 | 10-23 | 35 | 8 | 50 | 16.0 | 4.791 | 370 | |
| SWC390WD | 390 | 250 | 125 | 860 | 345 | 235 | 215 | 10-25 | 40 | 8 | 70 | 18.0 | 8.229 | 524 | |
| Swc440wd | 440 | 355 | 180 | 1040 | 390 | 255 | 260 | 16-28 | 42 | 10 | 80 | 20.0 | 15.320 | 798 | |
| SWC490WD | 490 | 500 | 250 | 1080 | 435 | 275 | 270 | 16-31 | 47 | 12 | 90 | 22.5 | 25.740 | 1055 | |
| SWC550WD | 550 | 710 | 355 | 1220 | 492 | 320 | 305 | 16-31 | 50 | 12 | 100 | 22.5 | 46.780 | 1524 | |
| SWC620WD | 620 | 1000 | 500 | 1360 | 555 | 380 | 340 | 10-38 | 55 | 12 | 100 | 25.0 | 83.760 | 2120 | |
* 1. Tf- अल्टरनेशन लोड अंतर्गत टॉर्क जो थकवा शक्तीनुसार परवानगी देतो.
Raydafon चे SWC युनिव्हर्सल जॉइंट कपलिंग—सामान्यतः SWC कार्डन शाफ्ट युनिव्हर्सल जॉइंट कपलिंग—हा फक्त एक भाग नाही; हेवी-ड्युटी औद्योगिक क्षेत्रांमध्ये असणे आवश्यक आहे, जसे की रोलिंग मिल्स, उभारणी उपकरणे आणि सर्व प्रकारच्या कठीण जड मशीनरी सेटअप. उच्च-टॉर्क युनिव्हर्सल जॉइंट कपलिंग म्हणून, हे दोन ट्रान्समिशन शाफ्ट्सला जोडण्याचे ठोस काम करते जे पूर्णपणे संरेखित नसतात, ज्यामुळे कामाची परिस्थिती खरोखर कठोर असली तरीही वीज सहजतेने वितरित केली जाते.
चला त्याच्या मुख्य वैशिष्ट्यांबद्दल बोलूया: gyration व्यास φ58 ते φ620 पर्यंत आहे, नाममात्र टॉर्क 0.15 ते 1000 kN·m पर्यंत आहे आणि अक्ष फोल्ड कोन 25° पेक्षा जास्त नाही.
हे कपलिंग विशिष्ट ठिकाणी उत्तम काम करते—जसे की जेव्हा तुम्हाला रोलिंग मिल ऑपरेशन्ससाठी विश्वासार्ह हेवी-ड्यूटी युनिव्हर्सल जॉइंट कपलिंग किंवा लिफ्टिंग आणि मटेरियल हाताळणी उपकरणांमध्ये टिकाऊ SWC युनिव्हर्सल जॉइंट शाफ्ट कपलिंगची आवश्यकता असते. या प्रकरणांमध्ये, ते त्याचे सामर्थ्य दर्शवते: मोठ्या ताणतणावांमध्येही, ते ऑपरेशन्स स्थिर ठेवते, कोणतीही गडबड किंवा ब्रेकडाउन नाही.
Raydafon चे SWC युनिव्हर्सल जॉइंट कपलिंग फक्त एकत्र टाकलेले नाही - ते उत्कृष्ट कार्य करण्यासाठी आणि औद्योगिक वापरात दीर्घकाळ टिकून राहण्यासाठी स्मार्ट, अद्ययावत अभियांत्रिकीसह तयार केले आहे. त्याची रचना कशामुळे दिसते ते पाहूया.
प्रथम, याचे वाजवी आणि सुरक्षित कॉन्फिगरेशन आहे: आम्ही या औद्योगिक सार्वत्रिक जॉइंट कपलिंगसाठी एकात्मिक फोर्क हेड डिझाइन वापरले आहे, जे बोल्ट सैल होणे किंवा तुटणे यासारख्या जोखमींना कमी करते. तो चिमटा एकंदरीत 30%-50% अधिक मजबूत बनवतो, म्हणून तो सुरक्षितपणे आणि सातत्याने चालतो. नियमित कपलिंगच्या तुलनेत, ते जास्त काळ टिकते आणि ते उच्च-टेंशन स्पॉट्समध्ये सामान्य समस्या टाळते—जसे की हेवी मशिनरी युनिव्हर्सल जॉइंट कपलिंग सिस्टम तुम्ही कठीण कामांमध्ये पाहता.
त्यानंतर त्याची वर्धित भार सहन करण्याची क्षमता आहे: हे SWC हेवी-ड्यूटी युनिव्हर्सल जॉइंट कपलिंग मोठे वजन हाताळण्यासाठी बनवले आहे, त्यामुळे खाण गियर किंवा बांधकाम मशीन्स सारख्या उच्च दर्जाचे लोड हाताळणी आवश्यक असलेल्या ठिकाणी असणे आवश्यक आहे.
हे 98.6% पर्यंत उच्च प्रसारण कार्यक्षमतेवर देखील परिणाम करते. मोठ्या पॉवर ट्रान्समिशनसाठी एक कार्यक्षम युनिव्हर्सल जॉइंट कपलिंग म्हणून, ते ऊर्जेचा वापर आणि त्यासोबत येणारा खर्च कमी करते. म्हणूनच उच्च-शक्ती औद्योगिक ट्रांसमिशन सेटअपमध्ये ऊर्जा-बचत युनिव्हर्सल जॉइंट कपलिंग सोल्यूशन्ससाठी ही एक सर्वोच्च निवड आहे.
आणि ते कमी आवाजासह सुरळीत चालते: प्रसारण स्थिर राहते, आणि आवाज सहसा 30-40 dB(A) दरम्यान फिरतो. हे कमी-आवाज युनिव्हर्सल जॉइंट कपलिंग ऑपरेशन्स शांत ठेवते, जे औद्योगिक स्पॉट्ससाठी योग्य आहे जेथे आवाज ही समस्या आहे—सर्व उच्च स्तरावर विश्वसनीयता ठेवताना.
⭐⭐⭐⭐⭐ झांग वेई, मुख्य अभियंता, Henan Mining Equipment Co., Ltd.
आम्ही आमच्या खनन यंत्रावर Raydafon चे SWC-WD शॉर्ट विदाऊट फ्लेक्स फ्लँज प्रकार युनिव्हर्सल कपलिंग टाकत आहोत आणि ते अगदी योग्य आहे. तिची संक्षिप्त रचना आपल्याला घट्ट जागेसाठी आवश्यक आहे जिथे जास्त जागा शिल्लक नाही आणि बिल्ड ऑपरेशन्स स्थिर ठेवण्यासाठी पुरेसे कठीण आहे. हेवी-ड्युटी परिस्थितीत नॉनस्टॉप चालत असतानाही, हे जोडणी आम्हाला कधीही निराश करत नाही - अजिबात अपयश येत नाही. आमच्या मेंटेनन्स टीमला हे आवडते की त्याला फक्त चेक इन करणे आवश्यक आहे, याचा अर्थ आम्ही अतिरिक्त त्रासाशिवाय उत्पादन सुरळीत चालू ठेवू शकतो.
⭐⭐⭐⭐⭐ मायकेल ब्राउन, ऑपरेशन्स मॅनेजर, टेक्सास स्टील वर्क्स, यूएसए
आमच्या टेक्सास कार्यशाळेने Raydafon कडून SWC-WD शॉर्ट विदाऊट Flex Flange Type Universal Coupling ची ऑर्डर दिली आणि प्रामाणिकपणे, गुणवत्तेने आमची उधळण केली. कपलिंग खरोखरच चांगले बनवलेले आहेत, त्यांना स्थापित करणे एक चिंच आहे आणि ते लोडमध्ये असतानाही ते विश्वसनीयपणे धरून ठेवतात. माझ्यासाठी सर्वात जास्त काय अडकले? ते किंमत आणि कार्यप्रदर्शन किती चांगले संतुलित करते—तुम्हाला ती गोड जागा सहसा सापडत नाही. या दर्जाची गुणवत्ता सातत्याने वितरीत करणारा पुरवठादार शोधणे सोपे नाही, परंतु Raydafon ने हे सिद्ध केले आहे की ते आमच्यासाठी विश्वासार्ह भागीदार आहेत.
⭐⭐⭐⭐⭐ अण्णा मुलर, देखभाल पर्यवेक्षक, बर्लिन इंडस्ट्रियल सोल्युशन्स, जर्मनी
आम्ही आमच्या बर्लिन उपकरण लाइनवर Raydafon चे SWC-WD शॉर्ट विदाऊट फ्लेक्स फ्लँज प्रकार युनिव्हर्सल कपलिंग ठेवले आणि त्याचे परिणाम खूप चांगले आहेत. उत्पादन स्वतःच खडक-घट्ट वाटते, वेल्डिंग अचूक आहे—येथे कोणतेही निकृष्ट काम नाही—आणि आतापर्यंत, ते खरोखर चांगले धरून ठेवले आहे, उच्च दर्जाची टिकाऊपणा दर्शविते. आम्ही येथे युरोपमध्ये वापरलेल्या इतर काही ब्रँडच्या तुलनेत, हे कपलिंग अधिक विश्वासार्ह आहे आणि किंमत देखील अधिक स्पर्धात्मक आहे. जर इतर कंपन्या विश्वासार्ह युनिव्हर्सल कपलिंग्ज शोधत असतील तर मी Raydafon ची शिफारस करतो.
Raydafon's SWC-WD शॉर्ट विदाऊट फ्लेक्स फ्लँज प्रकार युनिव्हर्सल कपलिंग—ज्याला अनेकदा SWC कार्डन शाफ्ट युनिव्हर्सल जॉइंट कपलिंग म्हटले जाते—तंग औद्योगिक ठिकाणांसाठी बांधले जाते, जेथे जागा मर्यादित असते आणि तुम्हाला निश्चित-लांबीच्या डिझाइनची आवश्यकता असते (कोणतेही टेलिस्कोपिक विस्तार नाही). उच्च-टॉर्क युनिव्हर्सल जॉइंट कपलिंग म्हणून, ते संरेखित नसलेल्या शाफ्टमध्ये टॉर्क कार्यक्षमतेने हलवते, 25 अंशांपर्यंत कोनीय विचलन हाताळते आणि हेवी-ड्यूटी वातावरणातही ते विश्वसनीय राहते.
चला त्याच्या प्रमुख वैशिष्ट्यांबद्दल बोलूया: यात एक संक्षिप्त आणि कठोर रचना आहे—हे लहान, नॉन-लवचिक फ्लँज सेटअप रोलिंग मिल ऑपरेशन्ससाठी एक विश्वासार्ह हेवी-ड्यूटी युनिव्हर्सल जॉइंट कपलिंग बनवते, जेथे अक्षीय हालचाल कमी असते अशा सेटअपमध्ये अतिरिक्त स्थिरता देते. म्हणूनच कठीण यंत्रसामग्रीमध्ये निश्चित-अंतराच्या कनेक्शनसाठी ते खूप चांगले कार्य करते. नंतर त्याची उच्च भार सहन करण्याची क्षमता आहे: आम्ही ते तयार करण्यासाठी कास्ट आयरन किंवा मिश्र धातु स्टील सारखी कठीण सामग्री वापरतो, म्हणून हे उचलणे आणि सामग्री हाताळणी उपकरणांमध्ये टिकाऊ SWC युनिव्हर्सल जॉइंट शाफ्ट कपलिंग आहे. हे मोठे वजन धारण करते आणि त्याच व्यासाच्या इतर कपलिंग्सपेक्षा जास्त टॉर्क प्रसारित करते, ज्यामुळे ते खाणकाम किंवा बांधकाम गियरमध्ये जड भारांसाठी योग्य बनते.
हे औद्योगिक युनिव्हर्सल जॉइंट कपलिंग चुकीच्या संरेखनाची भरपाई देखील करते—मग ते कोनीय, समांतर किंवा अक्षीय चुकीचे संरेखन असो, ते घूर्णन गती किंवा टॉर्क हस्तांतरणामध्ये गोंधळ करत नाही. म्हणजे हेवी मशिनरी युनिव्हर्सल जॉइंट कपलिंग सिस्टीममध्ये सुरळीत ऑपरेशन. आणि हे पॉवर ट्रान्समिशनमध्ये कार्यक्षम आहे: 98.6% कार्यक्षमतेपर्यंत, हे SWC हेवी-ड्यूटी युनिव्हर्सल जॉइंट कपलिंग उर्जेचे नुकसान कमी ठेवते, उच्च-शक्ती औद्योगिक सेटअपमध्ये मोठ्या पॉवर ट्रान्समिशनसाठी हे एक कार्यक्षम युनिव्हर्सल जॉइंट कपलिंग बनवते.
शिवाय, हे ऊर्जा वाचवण्यासाठी आणि शांतपणे चालण्यासाठी डिझाइन केले आहे—तुम्हाला ऊर्जा-बचत सार्वत्रिक जॉइंट कपलिंग सोल्यूशन्सची आवश्यकता असल्यास, ही एक उत्कृष्ट निवड आहे, ऑपरेशनल खर्च कमी करते. आणि ते 30-40 dB(A) च्या दरम्यान आवाज ठेवते, म्हणून हे कमी-आवाज युनिव्हर्सल जॉइंट कपलिंग औद्योगिक ठिकाणी योग्य बसते जेथे आवाज चिंतेचा विषय आहे.
हे कपलिंग खरोखर विशिष्ट परिस्थितींमध्ये चमकते—जसे की जेव्हा तुम्हाला रोलिंग मिल ऑपरेशन्ससाठी विश्वासार्ह हेवी-ड्यूटी युनिव्हर्सल जॉइंट कपलिंग किंवा लिफ्टिंग आणि मटेरियल हाताळणी उपकरणांमध्ये टिकाऊ SWC युनिव्हर्सल जॉइंट शाफ्ट कपलिंगची आवश्यकता असते. या प्रकरणांमध्ये, अत्यंत भार आणि मर्यादित जागेसह, ते ऑपरेशन्स स्थिर ठेवते, कोणतीही अडचण येत नाही.
इंडस्ट्रियल युनिव्हर्सल जॉइंट कपलिंग ॲप्लिकेशन्सचा विचार केल्यास, आमचा SWC-WD प्रकार स्मार्ट इंजिनिअरिंगसह वेगळा आहे ज्यामुळे ते अधिक चांगले आणि दीर्घकाळ टिकते. चला त्याच्या मुख्य संरचनेबद्दल बोलूया: यात एकात्मिक फोर्क हेड डिझाइनसह वाजवी, सुरक्षित सेटअप आहे—यामुळे बोल्ट सैल होणे किंवा तुटणे यासारख्या समस्यांपासून सुटका मिळते, एकूण ताकद 30%-50% वाढते. याचा अर्थ ते सुरक्षितपणे आणि विश्वासार्हतेने चालते, जुन्या-शैलीतील मॉडेल्सपेक्षा जास्त काळ टिकते आणि हेवी मशिनरी युनिव्हर्सल जॉइंट कपलिंग सिस्टीम सारख्या उच्च-ताणाच्या ठिकाणी सामान्य बिघाड टाळते.
शिवाय, ते अधिक भार हाताळू शकते—आम्ही ते जड वजनांना सपोर्ट करण्यासाठी तयार केले आहे, त्यामुळे हे SWC हेवी-ड्यूटी युनिव्हर्सल जॉइंट कपलिंग ज्या ठिकाणी खाणकाम किंवा बांधकाम उपकरणे यांसारख्या कठीण भार हाताळण्याची गरज आहे अशा ठिकाणी योग्य आहे. हे 98.6% ट्रान्समिशन कार्यक्षमतेपर्यंत उच्च कार्यक्षमतेने पॉवर हलवते. मोठ्या पॉवर ट्रान्समिशनसाठी एक कार्यक्षम युनिव्हर्सल जॉइंट कपलिंग म्हणून, ते ऊर्जेचा वापर आणि त्यासोबत येणाऱ्या खर्चात कपात करते, ज्यामुळे ते उच्च-शक्तीच्या औद्योगिक ट्रांसमिशन सेटअप्समध्ये ऊर्जा-बचत सार्वत्रिक जॉइंट कपलिंग सोल्यूशन्ससाठी सर्वोच्च निवड बनते.
आणि ते कोणत्याही आवाजासह गुळगुळीत चालते — प्रसारण स्थिर राहते, आणि आवाज सामान्यतः 30-40 dB(A) दरम्यान राहतो. हे कमी-आवाज युनिव्हर्सल जॉइंट कपलिंग ऑपरेशन्स शांत ठेवते, जे उच्च पातळीवर विश्वासार्हता ठेवताना, आवाजाची समस्या असलेल्या औद्योगिक ठिकाणांसाठी योग्य आहे.
Raydafon हे ट्रान्समिशन पार्ट्सचे दुसरे नाव नाही—आम्ही उच्च-कार्यक्षमता ट्रान्समिशन घटक आणि औद्योगिक मशीनरी सोल्यूशन्सचे प्रमुख उत्पादक आणि पुरवठादार आहोत आणि आम्ही SWC कार्डन शाफ्ट युनिव्हर्सल जॉइंट कपलिंग सारख्या उत्पादनांवर तीव्र लक्ष केंद्रित केले आहे. जागतिक उद्योगांना विकसित होत असताना त्यांना काय आवश्यक आहे ते कायम ठेवण्यासाठी आम्ही सुरुवात केली आणि कालांतराने, आम्ही एक संपूर्ण लाइनअप तयार केला आहे: गिअरबॉक्सेस, ड्राईव्ह शाफ्ट, हायड्रॉलिक सिलेंडर, पुली, अचूक मशीन टूल्स—हे सर्व कृषी आणि हेवी-ड्युटी क्षेत्रे किती चांगल्या प्रकारे चालतात हे वाढवण्यासाठी बनवले गेले. आम्ही नावीन्यतेमध्ये मोठे आहोत, म्हणूनच आम्ही रोलिंग मिल ऑपरेशन्ससाठी विश्वासार्ह हेवी-ड्यूटी युनिव्हर्सल जॉइंट कपलिंग देऊ शकतो जे अगदी क्लिष्ट सिस्टीममध्ये अगदी कोणत्याही अडथळ्याशिवाय बसते.
आमच्या सुविधा देखील उच्च दर्जाच्या आहेत—आमच्याकडे CNC कार्यशाळा, ग्राइंडिंग आणि उष्णता उपचार गियर आणि प्रगत 3D मापन प्रणाली आहेत. आम्ही ISO9001/TS16949 सारख्या कठोर गुणवत्ता मानकांना चिकटून आहोत आणि ते सेटअप आम्हाला उच्च-टॉर्क युनिव्हर्सल जॉइंट कपलिंग सोल्यूशन्स बनवू देते जे टॉर्क उत्तम हलवते आणि एखाद्या प्रो प्रमाणे चुकीचे संरेखन हाताळते. लिफ्टिंग आणि मटेरियल हाताळणी उपकरणांमध्ये आमचे टिकाऊ SWC युनिव्हर्सल जॉइंट शाफ्ट कपलिंग घ्या, उदाहरणार्थ—हे अशा ठिकाणी तयार केले आहे ज्यांना कठीण लोड-बेअरिंग पॉवर आवश्यक आहे. आणि आमची औद्योगिक सार्वत्रिक संयुक्त जोडणी लाइन? हे सर्व प्रकारच्या वापरांचा समावेश करते जेथे अचूकता आणि दृढता सर्वात महत्त्वाची असते.
आपण जे काही करतो त्यातील ऐंशी टक्के निर्यात होते—यूएस, जर्मनी, जपान, इटली, मलेशिया, ऑस्ट्रेलिया आणि मध्य पूर्व सारख्या ठिकाणी पाठवले जाते. आमच्याकडे चीन, दक्षिण कोरिया, यूके, सिंगापूर, यूएस आणि स्पेनमध्ये मजबूत नेटवर्क आहे, त्यामुळे आम्ही जागतिक स्तरावर मजबूत आहोत. ती पोहोच आम्हाला सानुकूलित SWC हेवी-ड्यूटी युनिव्हर्सल जॉइंट कपलिंग पर्याय ऑफर करू देते—क्लायंटला जे आवश्यक आहे त्यानुसार तयार केले आहे, जसे की हेवी मशिनरी युनिव्हर्सल जॉइंट कपलिंग सिस्टीममध्ये जेथे अत्यंत भाराखाली स्थिर राहणे गैर-निगोशिएबल आहे.
आम्ही टिकाऊपणा आणि ग्राहकांना प्रथम स्थान देणारे उपाय तयार करण्याची काळजी घेतो. म्हणूनच आम्ही ऊर्जा-बचत करणारे युनिव्हर्सल जॉइंट कपलिंग सोल्यूशन्स विकसित करतो जे 98.6% ट्रान्समिशन कार्यक्षमतेपर्यंत पोहोचतात - उच्च-पॉवर सेटअपमध्ये ऊर्जा वापर कमी करते. तुम्हाला मोठ्या पॉवर ट्रान्समिशनसाठी कार्यक्षम युनिव्हर्सल जॉइंट कपलिंगची आवश्यकता असेल किंवा ज्या औद्योगिक ठिकाणी आवाजाची समस्या आहे अशा ठिकाणी कमी आवाजाचे युनिव्हर्सल जॉइंट कपलिंग आवश्यक असेल, आमची उत्पादने संपूर्ण विक्री-पश्चात सेवेसह येतात. अशा प्रकारे आम्ही ट्रान्समिशन उद्योगात एक विश्वासू भागीदार बनलो आहोत—आम्ही फक्त भाग विकत नाही, तर आम्ही त्यांचा बॅकअप घेतो.
पत्ता
Luotuo औद्योगिक क्षेत्र, Zhenhai जिल्हा, Ningbo शहर, चीन
दूरध्वनी
ई-मेल


+86-574-87168065


Luotuo औद्योगिक क्षेत्र, Zhenhai जिल्हा, Ningbo शहर, चीन
कॉपीराइट © Raydafon Technology Group Co., मर्यादित सर्व हक्क राखीव.
Links | Sitemap | RSS | XML | Privacy Policy |
