QR कोड
आमच्याबद्दल
उत्पादने
आमच्याशी संपर्क साधा


फॅक्स
+86-574-87168065

ई-मेल

पत्ता
Luotuo औद्योगिक क्षेत्र, Zhenhai जिल्हा, Ningbo शहर, चीन
Raydafon चे SWC-WF विदाऊट फ्लेक्स फ्लँज प्रकार युनिव्हर्सल कपलिंग हे जड यंत्रसामग्रीमध्ये उच्च-टॉर्क ट्रान्समिशनसाठी बनवले आहे—विचार करा धातुकर्म उपकरणे, क्रेन, खाण यंत्रणा, सर्व कठीण सेटअप ज्यांना स्थिर शक्तीची आवश्यकता आहे. यात नॉन-लवचिक फ्लँज डिझाइन आहे, 160 मिमी ते 640 मिमी पर्यंतचा gyration व्यास आहे आणि हे फ्लँज प्रकारचे युनिव्हर्सल कपलिंग मोठे कोनीय मिसालाइनमेंट्स आणि सतत रोटरी गती हाताळते, अगदी जास्त मागणी असलेल्या परिस्थितीत काम करत असताना देखील कोणतीही अडचण येत नाही. आम्ही ते तयार करण्यासाठी उच्च-शक्तीचे 35CrMo स्टील वापरतो, त्यामुळे ते तीव्र भारांना उत्तम प्रकारे उभे राहते—अगदी हेवी मशिनरी आणि नॉन-फ्लेक्स युनिव्हर्सल कपलिंगसाठी औद्योगिक अनुप्रयोगांसाठी हे एक सर्वोच्च निवड आहे. Raydafon चे अचूक उत्पादन हे सुनिश्चित करते की ते प्रत्येक वेळी ठोस कार्यप्रदर्शन देते, विशेषत: अशा उद्योगांसाठी जे सातत्यपूर्ण टॉर्क वितरणाशी तडजोड करू शकत नाहीत.
हे SWC-WF युनिव्हर्सल कपलिंग टिकून राहण्यासाठी बांधले गेले आहे, एका कठोर फ्लँज कनेक्शनसह जे जहाज बांधणी ड्राइव्ह आणि रोलिंग मिल्स यांसारख्या सिस्टीममध्ये इंस्टॉलेशन सोपे करते—ज्या ठिकाणी अक्षीय हालचाल जास्त नसते. आम्ही ISO 9001 मानकांचे काटेकोरपणे पालन करतो आणि आमचा चीन-आधारित कारखाना हे टिकाऊ फ्लँज युनिव्हर्सल कपलिंग बनवण्यासाठी प्रगत मशीनिंग आणि कडक गुणवत्ता तपासणी वापरतो. हे 1250 kN·m पर्यंत टॉर्क रेटिंगसह, सानुकूल करण्यायोग्य आकारात येते, त्यामुळे ते धातुकर्म उपकरणे आणि इतर हेवी-ड्युटी सेटअपसाठी सानुकूल सार्वत्रिक कपलिंगमध्ये बसते. Raydafon स्पर्धात्मक किमतींवर अनुरूप उपाय देखील ऑफर करते, डाउनटाइम कमी करण्यात आणि तुमच्या उपकरणाची विश्वासार्हता वाढवण्यास मदत करते.
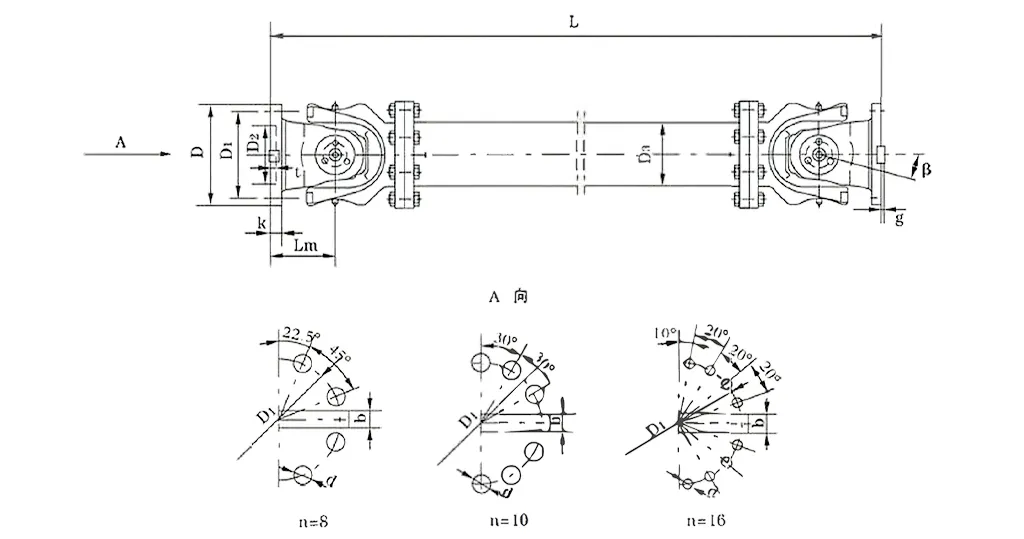
| नाही. | गायरेशन व्यास डी मिमी | नाममात्र टॉर्क Tn KN·m | अक्ष दुमडलेला कोन β (°) | थकलेला टॉर्क Tf KN·m | आकार (मिमी) | फिरती जडत्व kg.m2 | वजन (किलो) | |||||||||||
| लमिन | D1 (js11) | D2 (H7) | D3 | Lm | n-d | k | t | b (h9) | g | लमिन | वाढवा 100 मिमी | लमिन | वाढवा 100 मिमी | |||||
| SWC285WF | 285 | 90 | 45 | ≤१५ | 810 | 245 | 170 | 194 | 160 | 8-21 | 27 | 7 | 40 | 15 | 2.664 | 0.051 | 220 | 6.3 |
| SWC315WF | 315 | 125 | 63 | 915 | 280 | 185 | 219 | 180 | 10-23 | 32 | 8 | 40 | 15 | 4.469 | 0.0795 | 300 | 8.0 | |
| SWC350WF | 350 | 180 | 90 | 980 | 310 | 210 | 267 | 194 | 10-23 | 35 | 8 | 50 | 16 | 7.388 | 0.2219 | 412 | 15.0 | |
| SWC390WF | 390 | 250 | 125 | 1100 | 345 | 235 | 267 | 215 | 10-25 | 40 | 8 | 70 | 18 | 13.184 | 0.2219 | 588 | 15.0 | |
| SWC440WF | 440 | 355 | 180 | 1290 | 390 | 255 | 325 | 260 | 16-28 | 42 | 10 | 80 | 20 | 23.250 | 0.4744 | 880 | 21.7 | |
| SWC490WF | 490 | 500 | 250 | 1360 | 435 | 275 | 325 | 270 | 16-31 | 47 | 12 | 90 | 22.5 | 40.750 | 0.4744 | 1173 | 21.7 | |
| SWC550WF | 550 | 710 | 355 | 1510 | 492 | 320 | 426 | 305 | 16-31 | 50 | 12 | 100 | 22.5 | 68.480 | 1.3570 | 1663 | 34.0 | |
| SWC620WF | 620 | 1000 | 500 | 1690 | 555 | 380 | 426 | 340 | 10-38 | 55 | 12 | 100 | 25 | 127.530 | 1.3570 | 2332 | 34.0 | |
* 1. Tf- अल्टरनेशन लोड अंतर्गत टॉर्क जो थकवा शक्तीनुसार परवानगी देतो.
* 2. एल-इंस्टॉल लांबी, जी आवश्यकतेनुसार आहे.
Raydafon चे SWC-WF फ्लेक्स फ्लँज प्रकार युनिव्हर्सल जॉइंट कपलिंगशिवाय-ज्याला SWC कार्डन शाफ्ट युनिव्हर्सल जॉइंट कपलिंग देखील म्हणतात—मूलभूत यांत्रिक कल्पनेवर कार्य करते: ते दोन नॉन-कॉलिनियर शाफ्टमधून टॉर्क मिळवते जिथे ते जाणे आवश्यक आहे आणि ते चुकीचे संरेखन देखील हाताळते. हे उच्च-टॉर्क युनिव्हर्सल जॉइंट कपलिंग दोन्ही टोकांवरील फ्लँजला जोडण्यासाठी क्रॉस-बेअरिंग सेटअप वापरते, त्यामुळे शाफ्ट 25 अंशांपर्यंत ऑफसेट असताना किंवा अक्षीय/रेडियल विचलन असले तरीही, ते रोटेशनल पॉवर सुरळीतपणे हलवते.
हे कसे कार्य करते याचे हृदय सार्वत्रिक संयुक्त डिझाइन आहे—एक क्रॉस शाफ्ट आहे जो पिव्होटप्रमाणे कार्य करतो, प्रत्येक फ्लँजला स्वतःहून पुढे जाऊ देतो. अशाप्रकारे, टॉर्क ड्रायव्हिंग शाफ्टपासून चालविलेल्या शाफ्टपर्यंत कार्यक्षमतेने जातो आणि ते जोडलेल्या भागांवर जास्त ताण न ठेवता कोनीय चुकीचे संरेखन करते. रोलिंग मिल ऑपरेशन्ससाठी तुम्हाला विश्वासार्ह हेवी-ड्यूटी युनिव्हर्सल जॉइंट कपलिंगची आवश्यकता असल्यास, ही एक कठोर, नॉन-लवचिक फ्लँज रचना गोष्टी स्थिर ठेवते, जी कॉम्पॅक्ट हेवी मशिनरी सेटअपमध्ये लहान-अंतराच्या कनेक्शनसाठी योग्य आहे.
त्याचे कार्य वेगळे बनवते ते म्हणजे त्यात लवचिक भाग किंवा विस्तार वैशिष्ट्ये नाहीत—हे ते इतर प्रकारांपेक्षा वेगळे करते आणि अक्षीय हालचाल कमी असलेल्या ठिकाणी उत्कृष्ट बनवते. टिकाऊ एसडब्ल्यूसी युनिव्हर्सल जॉइंट शाफ्ट कपलिंग आम्ही उचलण्यासाठी आणि साहित्य हाताळणी उपकरणांमध्ये वापरतो ते मोठ्या भाराखाली देखील संतुलित राहण्यासाठी या तत्त्वावर झुकते; ते 98.6% पर्यंत प्रसारण कार्यक्षमतेवर परिणाम करते आणि जास्त ऊर्जा वाया घालवत नाही. हे इंडस्ट्रियल युनिव्हर्सल जॉइंट कपलिंग तंतोतंत बेअरिंग हालचालीमुळे कंपन कमी करते, त्यामुळे ते उच्च-ताणाच्या परिस्थितीतही सुरळीतपणे चालते—जसे हेवी मशिनरी युनिव्हर्सल जॉइंट कपलिंग सिस्टीम जसे तुम्हाला कठीण औद्योगिक नोकऱ्यांमध्ये दिसेल.
शिवाय, Raydafon च्या SWC हेवी-ड्यूटी युनिव्हर्सल जॉइंट कपलिंगमध्ये वेल्डेड फ्लँज्स आहेत ज्यामुळे ते अधिक मजबूत बनले आहे-बोल्ट सैल होण्याची अधिक चिंता नाही आणि यामुळे एकूण ताकद 30% ते 50% वाढते. मोठ्या पॉवर ट्रान्समिशनसाठी एक कार्यक्षम युनिव्हर्सल जॉइंट कपलिंग म्हणून, ते 0.15 ते 1000 kN·m पर्यंत नाममात्र टॉर्क हाताळते आणि φ58 ते φ620 पर्यंत gyration व्यास आहे—त्याला औद्योगिक ट्रांसमिशनची मागणी करण्यासाठी ऊर्जा-बचत सार्वत्रिक संयुक्त युग्म समाधानासाठी एक शीर्ष निवड बनवते. आणि आवाज 30-40 dB(A) च्या दरम्यान ठेवल्यास, हे कमी-आवाज सार्वत्रिक सांधे जोडणी शांतपणे चालते, जे उच्च विश्वासार्हता मानकांचे पालन करत असताना, आवाज चिंतेचा विषय असलेल्या औद्योगिक ठिकाणांसाठी आदर्श आहे.
Raydafon चे SWC युनिव्हर्सल जॉइंट कपलिंग—ज्याला SWC कार्डन शाफ्ट युनिव्हर्सल जॉइंट कपलिंग म्हणतात—हा फक्त एक नियमित भाग नाही; हेवी-ड्यूटी औद्योगिक सेटअपसाठी आवश्यक आहे, जसे की रोलिंग मिल्स, हॉस्टिंग मशिनरी आणि सर्व प्रकारच्या कठीण अवजड यंत्रसामग्री. उच्च-टॉर्क युनिव्हर्सल जॉइंट कपलिंग म्हणून, ते दोन ट्रान्समिशन शाफ्ट्सला जोडण्याचे एक ठोस काम करते जे उत्तम प्रकारे जुळत नाहीत, हे सुनिश्चित करते की कामाची परिस्थिती खडबडीत असतानाही वीज सतत वाहत राहते.
चला त्याच्या प्रमुख वैशिष्ट्यांबद्दल बोलूया: gyration व्यास φ58 ते φ620 पर्यंत आहे, नाममात्र टॉर्क 0.15 ते 1000 kN·m पर्यंत आहे आणि अक्षाचा पट कोन 25° पेक्षा जास्त नाही.
हे उत्पादन विशिष्ट परिस्थितींमध्ये चमकते - जसे की जेव्हा तुम्हाला रोलिंग मिल ऑपरेशन्ससाठी विश्वासार्ह हेवी-ड्यूटी युनिव्हर्सल जॉइंट कपलिंग किंवा लिफ्टिंग आणि मटेरियल हाताळणी उपकरणांमध्ये टिकाऊ SWC युनिव्हर्सल जॉइंट शाफ्ट कपलिंगची आवश्यकता असते. या प्रकरणांमध्ये, ते जड भार सहन करत असताना देखील ऑपरेशन्स स्थिर ठेवून त्याचे मूल्य सिद्ध करते.
Raydafon चे SWC युनिव्हर्सल जॉइंट कपलिंग फक्त फंक्शनसाठी बनवलेले नाही - ते औद्योगिक वापरात टिकून राहण्यासाठी आणि दीर्घकाळ चांगली कामगिरी करत राहण्यासाठी स्मार्ट डिझाइनसह इंजिनिअर केलेले आहे. त्याची रचना कशामुळे वेगळी आहे ते पाहू या.
प्रथम, याचे वाजवी आणि सुरक्षित कॉन्फिगरेशन आहे: आम्ही या औद्योगिक सार्वत्रिक जॉइंट कपलिंगसाठी एकात्मिक फोर्क हेड डिझाइन वापरले आहे, जे बोल्ट सैल होणे किंवा तुटणे यासारख्या जोखमींना कमी करते. केवळ तेच त्याची संरचनात्मक अखंडता 30%-50% वाढवते, त्यामुळे ते सुरक्षितपणे आणि विश्वासार्हपणे कार्य करते. नियमित कपलिंगच्या तुलनेत, ते जास्त काळ टिकते आणि उच्च-तणाव असलेल्या ठिकाणांमध्ये सामान्य बिघाड टाळते—जसे की हेवी मशिनरी युनिव्हर्सल जॉइंट कपलिंग सिस्टीम तुम्ही कठीण कामांमध्ये पाहता.
त्यानंतर त्याची वर्धित भार सहन करण्याची क्षमता आहे: हे SWC हेवी-ड्यूटी युनिव्हर्सल जॉइंट कपलिंग मोठे वजन हाताळण्यासाठी बनवले आहे, त्यामुळे खाणकाम किंवा बांधकाम यंत्रसामग्री सारख्या उच्च दर्जाचे लोड व्यवस्थापन आवश्यक असलेल्या ठिकाणी असणे आवश्यक आहे.
हे 98.6% पर्यंत उच्च प्रसारण कार्यक्षमता देखील प्रदान करते. मोठ्या पॉवर ट्रान्समिशनसाठी एक कार्यक्षम युनिव्हर्सल जॉइंट कपलिंग म्हणून, ते ऊर्जेचा वापर आणि त्यासोबत येणारा खर्च कमी करते. म्हणूनच उच्च-शक्ती औद्योगिक ट्रांसमिशन सेटअपमध्ये ऊर्जा-बचत युनिव्हर्सल जॉइंट कपलिंग सोल्यूशन्ससाठी ही सर्वोच्च निवड आहे.
आणि ते कमी आवाजासह सुरळीत चालते: ते प्रसारण स्थिर ठेवते आणि आवाज सामान्यतः 30-40 dB(A) दरम्यान राहतो. हे कमी-आवाज युनिव्हर्सल जॉइंट कपलिंग ऑपरेशन्स शांत राहण्याची खात्री करते, जे आवाजाची समस्या असलेल्या ठिकाणांसाठी योग्य आहे—सर्व उच्च स्तरावर विश्वसनीयता ठेवताना.
⭐⭐⭐⭐⭐ चेन लियांग, उत्पादन अभियंता, झेजियांग मशिनरी कं, लि.
आम्ही Raydafon चे SWC-WF विदाऊट फ्लेक्स फ्लँज प्रकार युनिव्हर्सल कपलिंग आमच्या एका उत्पादन लाइनवर ठेवले आणि ते आतापर्यंत चांगले काम करत आहे. रचना सोपी पण कठीण आहे—त्याची स्थापना करणे ही एक झुळूक होती, कोणतीही क्लिष्ट पायरी नव्हती. एकदा ते सेट झाल्यानंतर, ते गुळगुळीत चालते, अतिरिक्त बदलांची आवश्यकता नाही. भार जास्त असला तरीही, हे कपलिंग विश्वासार्ह राहते, याचा अर्थ आपण जास्त काळजी न करता मशीन्स दीर्घकाळ चालू ठेवू शकतो-निश्चितपणे आपल्याला अधिक मनःशांती देते.
⭐⭐⭐⭐⭐ Sun Mei, खरेदी पर्यवेक्षक, Hebei Steel Co., Ltd.
आमच्या कंपनीने अनेक SWC-WF विदाऊट Flex Flange Type Universal Couplings Raydafon कडून विकत घेतले, आणि सर्वप्रथम, वितरण योग्य वेळेवर होते, आणि पॅकेजिंग देखील सावध होते—अजिबात नुकसान झाले नाही. कार्यशाळेच्या टीमने जे सांगितले ते माझ्यासाठी खरोखर वेगळे आहे: त्यांनी मला सांगितले की कपलिंग स्थापित करणे सोपे आहे आणि ते वापरताना ते खरोखरच ठोस वाटतात. शिवाय, इतर पुरवठादारांच्या तुलनेत, येथे किंमत योग्य आहे. एकूणच, आम्ही या खरेदीवर खरोखर आनंदी आहोत.
⭐⭐⭐⭐⭐ गुओ जून, देखभाल व्यवस्थापक, लिओनिंग हेवी इंडस्ट्री ग्रुप
माझे काम आमचे मशीन चालू ठेवणे आहे आणि मी शक्य तितका डाउनटाइम कमी करण्याचा प्रयत्न करतो. आम्ही Raydafon चे SWC-WF विदाऊट Flex Flange Type Universal Coupling वापरण्यास सुरुवात केल्यापासून, मला एक मोठा फरक जाणवला आहे—भागावर कमी पोशाख आणि ऑपरेशन दरम्यान कमी समस्या. डिझाइन कठीण आहे आणि त्याला जास्त देखभाल करण्याची आवश्यकता नाही. यामुळे आमचा वेळ आणि पैसा दोन्ही वाचतो आणि ते आमच्या उपकरणांसाठी अत्यंत विश्वासार्ह भाग ठरले आहे.
Raydafon ही EVER-POWER Group Co., Ltd. ची प्रमुख उपकंपनी आहे—आम्ही केवळ पुरवठादार नाही, तर उच्च-गुणवत्तेचे ट्रान्समिशन घटक आणि औद्योगिक उपायांसाठी प्रदाता आहोत आणि आम्ही SWC कार्डन शाफ्ट युनिव्हर्सल जॉइंट कपलिंग सारख्या नाविन्यपूर्ण उत्पादनांवर खूप लक्ष केंद्रित करतो. आम्ही सुरुवात केल्यापासून, आम्ही तंत्रज्ञान प्रगत करणे आणि जागतिक बाजारपेठेत वाढ करणे याबद्दल आहोत; आम्ही एकच घटक विकून थांबलो नाही—आता आम्ही पूर्ण-सिस्टम सोल्यूशन्स तयार करतो जे कृषी आणि हेवी-ड्युटी औद्योगिक गरजा पूर्ण करतात. ड्राईव्ह शाफ्ट आणि ट्रान्समिशन उत्पादनांमध्ये आमची माहिती म्हणजे ज्या ग्राहकांना रोलिंग मिल ऑपरेशन्स (आणि इतर कठीण नोकऱ्या) साठी विश्वसनीय हेवी-ड्यूटी युनिव्हर्सल जॉइंट कपलिंगची आवश्यकता आहे ते आमच्यावर एक ठोस भागीदार म्हणून विश्वास ठेवू शकतात.
Raydafon येथे, आम्ही उत्पादनांची विस्तृत श्रेणी बनवतो: गीअरबॉक्स, ड्राईव्ह शाफ्ट, हायड्रॉलिक सिलिंडर, पुली आणि अगदी CNC लेथ आणि मिलिंग मशीन सारखी प्रगत मशीन टूल्स. आमचे उच्च-टॉर्क युनिव्हर्सल जॉइंट कपलिंग सोल्यूशन्स—उदाहरणार्थ SWC मालिका घ्या—उद्योगांच्या कठोर मागण्या हाताळण्यासाठी तयार केल्या आहेत ज्यांना उचल आणि सामग्री हाताळणी उपकरणांमध्ये टिकाऊ SWC युनिव्हर्सल जॉइंट शाफ्ट कपलिंगची आवश्यकता आहे. आमच्याकडे प्रगत सुविधाही आहेत: CNC कार्यशाळा, ग्राइंडिंग आणि हीट ट्रीटमेंट मशीन, 3D मोजमाप साधने—सर्व ISO9001/TS16949 मानकांना चिकटून राहण्यासाठी, म्हणून आम्ही बनवलेली प्रत्येक औद्योगिक सार्वत्रिक जोडणी उच्च-गुणवत्तेची आणि अचूक असते.
आम्ही आमची 80% उत्पादने परदेशात, यूएस, जर्मनी, जपान, इटली, मलेशिया, ऑस्ट्रेलिया आणि मध्य पूर्व सारख्या बाजारपेठांमध्ये विकतो. आणि आम्हाला चीन, दक्षिण कोरिया, यूके, सिंगापूर, यूएस आणि स्पेन सारख्या ठिकाणी एक मजबूत नेटवर्क मिळाले आहे. ही जागतिक पोहोच आम्हाला सानुकूलित समाधाने तयार करू देते, जसे की SWC हेवी-ड्यूटी युनिव्हर्सल जॉइंट कपलिंग—जड मशीनरी युनिव्हर्सल जॉइंट कपलिंग सिस्टमसाठी डिझाइन केलेले आहे ज्यांना मोठा भार हाताळण्याची आणि दीर्घकाळ टिकण्याची आवश्यकता आहे.
नवोपक्रम आणि ग्राहकांना खूश करणे हे आमचे प्राधान्य आहे. आम्ही ऊर्जा-बचत सार्वत्रिक जॉइंट कपलिंग सोल्यूशन्स ऑफर करतो जे 98.6% ट्रान्समिशन कार्यक्षमतेपर्यंत पोहोचतात, उच्च-पॉवर सेटअपसाठी ऑपरेशनल खर्च कमी करतात. तुम्हाला मोठ्या पॉवर ट्रान्समिशनसाठी कार्यक्षम युनिव्हर्सल जॉइंट कपलिंगची आवश्यकता असेल किंवा ज्या ठिकाणी आवाज महत्त्वाचा असेल अशा ठिकाणी कमी-आवाज असलेल्या युनिव्हर्सल जॉइंट कपलिंगची आवश्यकता असेल, आमची उत्पादने व्यावसायिक विक्री-पश्चात सेवेसह येतात—आणि आम्ही योग्य गोष्टी करण्यासाठी समर्पित आहोत. म्हणूनच तुमच्या सर्व ट्रान्समिशन गरजांसाठी Raydafon ही सर्वोत्तम निवड आहे.
पत्ता
Luotuo औद्योगिक क्षेत्र, Zhenhai जिल्हा, Ningbo शहर, चीन
दूरध्वनी
ई-मेल


+86-574-87168065


Luotuo औद्योगिक क्षेत्र, Zhenhai जिल्हा, Ningbo शहर, चीन
कॉपीराइट © Raydafon Technology Group Co., मर्यादित सर्व हक्क राखीव.
Links | Sitemap | RSS | XML | Privacy Policy |
