QR कोड
आमच्याबद्दल
उत्पादने
आमच्याशी संपर्क साधा


फॅक्स
+86-574-87168065

ई-मेल

पत्ता
Luotuo औद्योगिक क्षेत्र, Zhenhai जिल्हा, Ningbo शहर, चीन
Raydafon चे SWC-DH शॉर्ट फ्लेक्स वेल्डिंग प्रकार युनिव्हर्सल कपलिंग हेवी-ड्यूटी गियरमध्ये चुकीच्या संरेखित शाफ्टला जोडण्यासाठी तयार केले आहे—विचार करा रोलिंग मिल्स, होइस्ट आणि स्टील प्रोसेसिंग मशीन. हे कॉम्पॅक्ट शॉर्ट फ्लेक्स युनिव्हर्सल कपलिंग आहे, ज्याचा व्यास 45 मिमी ते 390 मिमी पर्यंत आहे. जरी शाफ्ट 25 अंशांपर्यंत (कोणीय चुकीचे संरेखन) बंद असले तरीही, ते टॉर्क कार्यक्षमतेने हलवते—जास्तीत जास्त 1000 kN·m, जे जड उपकरणांच्या उर्जेच्या गरजा पूर्ण करते.
आम्ही ते उच्च-शक्तीच्या 35CrMo स्टीलने बनवतो आणि चार सुई बेअरिंग्ज जोडतो, त्यामुळे ते जास्त भाराखाली टिकून राहते. म्हणूनच औद्योगिक यंत्रसामग्री युनिव्हर्सल कपलिंगसाठी ही एक ठोस निवड आहे आणि हेवी उपकरणे वेल्डेड युनिव्हर्सल कपलिंग्स अशा ठिकाणी उत्तम काम करतात जिथे भार सतत जास्त राहतो. त्याचे शॉर्ट-फ्लेक्स डिझाइन अक्षीय हालचालीसाठी कमी जागा असलेल्या मशीनसाठी देखील योग्य आहे - कठीण औद्योगिक जागांसाठी एक कठीण ट्रान्समिशन फिक्स देते.
Raydafon चा ISO 9001 प्रमाणन असलेला चीन-आधारित निर्माता आहे, म्हणून आम्ही प्रत्येक SWC-DH युनिव्हर्सल कपलिंगसाठी कठोर गुणवत्ता नियमांचे पालन करतो. क्रॉस शाफ्टला गंजाशी लढण्यासाठी एक क्रोम प्लेट मिळते, म्हणून ती कठोर परिस्थिती असतानाही टिकते. वेल्डेड योक इन्स्टॉलेशनलाही सोपे बनवते—फक्त शाफ्टला उजवीकडे रेषा लावा आणि ते उत्तम प्रकारे काम करते. तुम्हाला ते धातूविज्ञान, खाणकाम आणि क्रेन सिस्टीममध्ये गियरवर सापडेल, काही हरकत नाही.
शिवाय, हे कपलिंग वेगवेगळ्या आकारात आणि टॉर्क रेटिंगमध्ये येते. तुम्हाला औद्योगिक यंत्रसामग्रीसाठी सानुकूल युनिव्हर्सल कपलिंगची आवश्यकता असल्यास-म्हणजे कापणी यंत्रासाठी किंवा इतर विशिष्ट गियरसाठी-आम्ही ते तुमच्या गरजेनुसार तयार करू शकतो आणि किंमत स्पर्धात्मक राहते. उपकरणांच्या डाउनटाइममध्ये हे छोटे फ्लेक्स कपलिंग कसे कमी करायचे हे आम्हाला मॅन्युफॅक्चरिंग माहिती आहे, त्यामुळे तुमची मशीन एकंदरीत अधिक विश्वासार्हपणे चालतात.
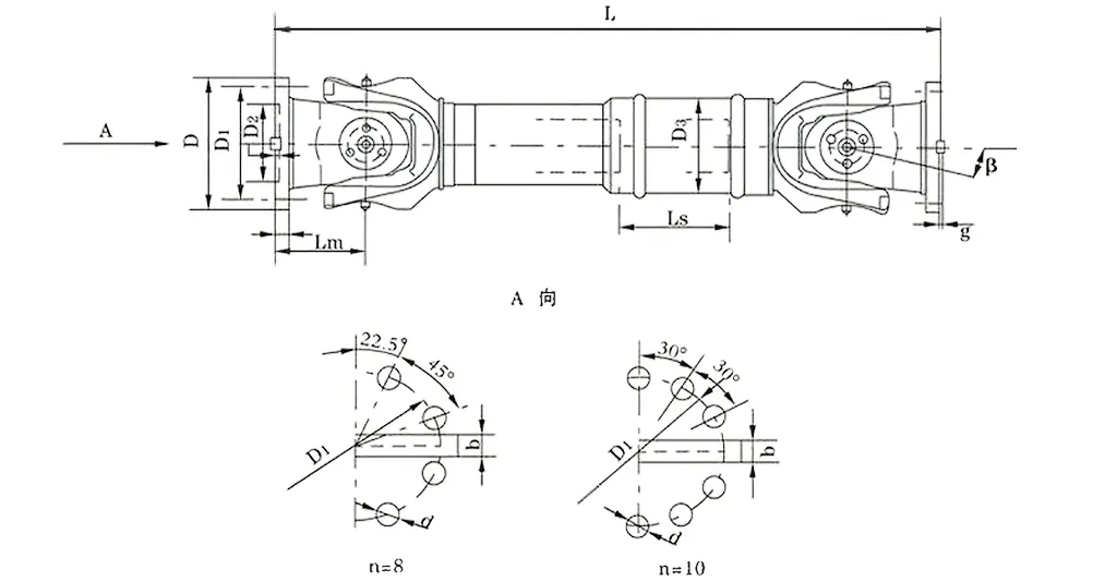
| नाही. | गायरेशन व्यास डी मिमी | नाममात्र टॉर्क Tn KN·m | अक्ष दुमडलेला कोन β (°) | थकलेला टॉर्क Tf KN·m | फ्लेक्सचे प्रमाण Ls मिमी | आकार (मिमी) | फिरती जडत्व kg.m2 | वजन (किलो) | |||||||||||
| लमिन | D1 (js11) | D2 (H7) | D3 | Lm | n-d | k | t | b (h9) | g | लमिन | वाढवा 100 मिमी | लमिन | वाढवा 100 मिमी | ||||||
| SWC180DH1 | 180 | 20 | 10 | ≤25 | 75 | 650 | 155 | 105 | 114 | 110 | 8-17 | 17 | 5 | - | - | 0.165 | 0.0070 | 58 | 2.8 |
| SWC180DH2 | 55 | 600 | 0.162 | 56 | |||||||||||||||
| SWC180DH3 | 40 | 550 | 0.160 | 52 | |||||||||||||||
| SWC225DH1 | 225 | 40 | 20 | ≤१५ | 85 | 710 | 196 | 135 | 152 | 120 | 20 | 5 | 32 | 9.0 | 0.415 | 0.0234 | 95 | 4.9 | |
| SWC225DH2 | 70 | 640 | 0.397 | 92 | |||||||||||||||
| SWC250DH1 | 250 | 63 | 31.5 | ≤१५ | 100 | 795 | 218 | 150 | 168 | 140 | 8-19 | 25 | 6 | 40 | 12.5 | 0.900 | 0.0277 | 148 | 5.3 |
| SWC250DH2 | 70 | 735 | 0.885 | 136 | |||||||||||||||
| SWC285DH1 | 285 | 90 | 45 | ≤१५ | 120 | 950 | 245 | 170 | 194 | 160 | 8-21 | 27 | 7 | 40 | 15.0 | 1.876 | 0.0510 | 229 | 6.3 |
| SWC285DH2 | 80 | 880 | 1.801 | 221 | |||||||||||||||
| SWC315DH1 | 315 | 125 | 63 | ≤१५ | 130 | 1070 | 280 | 185 | 219 | 180 | 10-23 | 32 | 8 | 40 | 15.0 | 3.331 | 0.0795 | 346 | 8.0 |
| SWC315DH2 | 90 | 980 | 3.163 | 334 | |||||||||||||||
| SWC350DH1 | 350 | 180 | 90 | ≤१५ | 140 | 1170 | 310 | 210 | 267 | 194 | 10-23 | 35 | 8 | 50 | 16.0 | 6.215 | ०..२२१९ | 508 | 15.0 |
| SWC350DH2 | 90 | 1070 | 5.824 | 485 | |||||||||||||||
| SWC390DH1 | 390 | 250 | 125 | ≤१५ | 150 | 1300 | 345 | 235 | 267 | 215 | 10-25 | 40 | 8 | 70 | 18.0 | 11.125 | 0.2219 | 655 | |
| SWC390DH2 | 90 | 1200 | 10.763 | 600 | |||||||||||||||
* 1. Tf- अल्टरनेशन लोड अंतर्गत टॉर्क जो थकवा शक्तीनुसार परवानगी देतो. * 2. Lmin- कट केल्यानंतर किमान लांबी. * 3. एल-इंस्टॉल लांबी, जी आवश्यकतेनुसार आहे
SWC युनिव्हर्सल जॉइंट कपलिंग, ज्याला SWC कार्डन शाफ्ट युनिव्हर्सल जॉइंट कपलिंग म्हणतात, हे हेवी-ड्यूटी औद्योगिक परिस्थितींमध्ये एक प्रमुख घटक आहे. रोलिंग मिल्स, हॉस्टिंग मशिनरी आणि विविध मोठ्या प्रमाणात जड यंत्रसामग्रीसाठी हे अपरिहार्य आहे. उच्च-टॉर्क युनिव्हर्सल जॉइंट कपलिंग म्हणून, ते दोन ट्रान्समिशन शाफ्ट्सना नॉन-कॉसिडेंट अक्षांसह प्रभावीपणे जोडू शकते, जटिल आणि कठोर कामकाजाच्या परिस्थितीतही अखंडित पॉवर ट्रान्समिशन सुनिश्चित करते.
या कपलिंगचे मुख्य तांत्रिक मापदंड खालीलप्रमाणे आहेत:
गायरेशन व्यास: φ58 - φ620
नाममात्र टॉर्क: 0.15 - 1000 kN·m
अक्ष पट कोन: ≤25°
व्यावहारिक अनुप्रयोगांमध्ये, ते अपवादात्मकपणे चांगले कार्य करते. उदाहरणार्थ, रोलिंग मिल ऑपरेशन्स दरम्यान, जेव्हा रोलिंग मिल्ससाठी समर्पित विश्वासार्ह हेवी-ड्यूटी युनिव्हर्सल जॉइंट कपलिंग आवश्यक असते, किंवा लिफ्टिंग आणि मटेरियल हाताळणी उपकरणांमध्ये, जेव्हा टिकाऊ SWC युनिव्हर्सल जॉइंट शाफ्ट कपलिंग आवश्यक असते, तेव्हा हे उत्पादन पूर्णपणे सक्षम आहे. जड भारांच्या खालीही, ते उपकरणांची ऑपरेशनल स्थिरता स्थिरपणे राखू शकते.
SWC युनिव्हर्सल जॉइंट कपलिंग प्रगत अभियांत्रिकी तत्त्वे वापरून डिझाइन केले आहे, औद्योगिक वातावरणात अपवादात्मक कामगिरी आणि दीर्घ सेवा आयुष्य प्रदान करते. त्याची मुख्य संरचनात्मक वैशिष्ट्ये खालीलप्रमाणे आहेत:
वाजवी आणि सुरक्षित संरचना: एकात्मिक फोर्क हेड डिझाइनचे वैशिष्ट्य असलेले, हे औद्योगिक सार्वत्रिक सांधे जोडणी बोल्ट सैल होण्याचा किंवा तुटण्याचा धोका कमी करते, 30%-50% ने संरचनात्मक शक्ती वाढवते. हे डिझाइन सुरक्षित आणि विश्वासार्ह ऑपरेशन सुनिश्चित करते, पारंपारिक मॉडेल्सच्या तुलनेत सेवा आयुष्य वाढवते आणि हेवी मशिनरी युनिव्हर्सल जॉइंट कपलिंग सिस्टम सारख्या उच्च-दाब परिस्थितींमध्ये सामान्य अपयश टाळते.
वर्धित लोड-बेअरिंग क्षमता: SWC हेवी-ड्यूटी युनिव्हर्सल जॉइंट कपलिंग विशेषत: जड भार सहन करण्यासाठी डिझाइन केलेले आहे, जे खाणकाम किंवा बांधकाम यंत्रसामग्री सारख्या उत्कृष्ट भार व्यवस्थापनाची आवश्यकता असलेल्या परिस्थितीत आवश्यक आहे.
उच्च पारेषण कार्यक्षमता: 98.6% पर्यंत कार्यक्षमतेसह, उच्च-पॉवर ट्रांसमिशनसाठी हे कार्यक्षम युनिव्हर्सल जॉइंट कपलिंग ऊर्जा वापर आणि संबंधित खर्चात लक्षणीय घट करते, ज्यामुळे उच्च-शक्ती औद्योगिक ट्रांसमिशन सिस्टममध्ये ऊर्जा-बचत युनिव्हर्सल जॉइंट कपलिंग सोल्यूशन्ससाठी ही पहिली पसंती बनते.
कमी आवाजासह स्थिर ऑपरेशन: हे कमी-आवाज युनिव्हर्सल जॉइंट कपलिंग सामान्यत: 30-40 dB(A) दरम्यान आवाज पातळीसह स्थिरपणे कार्य करते, शांत कार्यप्रदर्शन सुनिश्चित करते. उच्च विश्वासार्हता राखून ते आवाज-संवेदनशील वातावरणासाठी आदर्श आहे.
युनिव्हर्सल जॉइंट कपलिंग, विशेषत: SWC कार्डन शाफ्ट युनिव्हर्सल जॉइंट कपलिंग, त्यांच्या उत्कृष्ट फायद्यांमुळे औद्योगिक अनुप्रयोगांमध्ये अपरिहार्य ट्रांसमिशन घटक बनले आहेत. ते जड यंत्रसामग्री, अचूक उत्पादन आणि ऊर्जा संप्रेषण यांसारख्या क्षेत्रात त्यांच्या कामगिरीसह मुख्य गरजा पूर्ण करू शकतात. खाली त्यांच्या मुख्य फायद्यांचे तपशीलवार विश्लेषण आहे:
1. सशक्त टॉर्क ट्रांसमिशन आणि उत्कृष्ट मिसलाइनमेंट नुकसान भरपाई
उच्च-टॉर्क युनिव्हर्सल जॉइंट कपलिंग म्हणून, ते स्थिरपणे उच्च-शक्तीचे भार प्रसारित करू शकते. रोलिंग मिल ऑपरेशन्स दरम्यान शाफ्टचे चुकीचे संरेखन वारंवार घडते अशा परिस्थितीतही-जसे की स्टील रोलिंग दरम्यान रोलर वेअर आणि तापमान बदलांमुळे होणारे अक्षीय ऑफसेट-रोलिंग मिल ऑपरेशन्ससाठी हे विश्वसनीय हेवी-ड्यूटी युनिव्हर्सल जॉइंट कपलिंग सहजतेने हाताळू शकते. हे एकाच वेळी कोनीय, अक्षीय आणि रेडियल चुकीच्या संरेखनाची भरपाई करू शकते, कमाल 25 अंशांपर्यंत कोनीय चुकीचे संरेखन. ही उत्कृष्ट चुकीची जुळवणी अनुकूलता शाफ्टच्या चुकीच्या संरेखनामुळे होणारे ट्रान्समिशन जाम प्रतिबंधित करते, सतत आणि स्थिर वीज वितरण सुनिश्चित करते, अत्यंत कामाच्या परिस्थितीत यांत्रिक बिघाड होण्याची शक्यता लक्षणीयरीत्या कमी करते आणि उत्पादन लाइन्सच्या सतत ऑपरेशनची हमी देते.
2. उच्च टिकाऊपणा आणि दीर्घ सेवा जीवन
SWC युनिव्हर्सल जॉइंट कपलिंगची रचना आणि साहित्य निवड "जड भारांचा प्रतिकार करणे आणि कठोर वातावरणाचा सामना करणे" यावर केंद्रित आहे. मुख्य भाग एकात्मिक फोर्क हेड स्ट्रक्चरसह एकत्रितपणे उच्च-शक्तीच्या मिश्र धातुच्या स्टीलचा बनलेला आहे, ज्यामुळे बोल्ट ढिले होणे आणि घटक तुटणे यांसारखे सामान्य अपयशी बिंदू मूलभूतपणे कमी होतात. उदाहरण म्हणून लिफ्टिंग आणि मटेरियल हाताळणी उपकरणांमध्ये वापरलेले टिकाऊ SWC युनिव्हर्सल जॉइंट शाफ्ट कपलिंग घेतल्यास, ते जड वस्तू उचलताना तात्काळ प्रभावाचा भार सहन करू शकते आणि धूळ आणि उच्च तापमान यांसारख्या कठोर वातावरणात स्थिर कामगिरी राखू शकते. पारंपारिक स्प्लिट-स्ट्रक्चर कपलिंगच्या तुलनेत, या औद्योगिक सार्वत्रिक जॉइंट कपलिंगची एकूण ताकद 30%-50% वाढली आहे, ज्यामुळे केवळ दैनंदिन देखरेखीची वारंवारता कमी होत नाही तर सेवा आयुष्य 2-3 वर्षे वाढवते. हेवी मशिनरी युनिव्हर्सल जॉइंट कपलिंग सिस्टीमच्या दीर्घकालीन उच्च-लोड ऑपरेशन गरजांसाठी विशेषतः योग्य आहे.
3. उच्च प्रसारण कार्यक्षमता आणि महत्त्वपूर्ण ऊर्जा-बचत प्रभाव
चाचण्यांमधून असे दिसून आले आहे की SWC हेवी-ड्युटी युनिव्हर्सल जॉइंट कपलिंगची ट्रान्समिशन कार्यक्षमता 98.6% इतकी जास्त आहे, ज्याचे उच्च-शक्ती औद्योगिक ट्रांसमिशन परिस्थितीत स्पष्ट फायदे आहेत-जसे की स्टील प्लांट्समधील ब्लास्ट फर्नेस पंखे आणि पॉवर प्लांटमधील कोळसा वाहून नेणारी यंत्रणा. ज्या उपकरणांना सतत उच्च-पॉवर ट्रान्समिशनची आवश्यकता असते अशा उपकरणांसाठी, मोठ्या पॉवर ट्रान्समिशनसाठी या कार्यक्षम युनिव्हर्सल जॉइंट कपलिंगशी जुळवून घेतल्यास वीज हानी कमी होऊ शकते. ऊर्जा-बचत युनिव्हर्सल जॉइंट कपलिंग सोल्यूशन्सचा पाठपुरावा करणाऱ्या उद्योगांसाठी, ही उच्च कार्यक्षमता थेट किमतीच्या फायद्यांमध्ये रूपांतरित केली जाऊ शकते: उदाहरण म्हणून 1500kW ची औद्योगिक मोटर घेतल्यास, ते प्रति वर्ष 12,000 युआनपेक्षा जास्त वीज खर्च वाचवू शकते आणि एंटरप्राइझना दीर्घकालीन खर्चात आणि दीर्घकालीन वापरासह, मोठ्या प्रमाणात ऑपरेटिंग खर्च कमी करण्यास मदत करू शकते. औद्योगिक क्षेत्रातील ट्रेंड.
4. स्थिर आणि शांत ऑपरेशन, अनेक परिस्थितींसाठी योग्य
बेअरिंग फिट अचूकतेला अनुकूल करून आणि कमी घर्षण गुणांकासह स्नेहन ग्रीस वापरून, या कमी-आवाज युनिव्हर्सल जॉइंट कपलिंगचा ऑपरेटिंग नॉइज 30-40 dB(A) वर काटेकोरपणे नियंत्रित केला जातो, जो दैनंदिन कार्यालयाच्या सभोवतालच्या आवाज पातळीच्या समतुल्य आहे आणि कोणत्याही औद्योगिक साइटच्या मानकांचे पूर्णपणे पालन करत नाही. ध्वनी-संवेदनशील परिस्थितींमध्ये-जसे की अन्न प्रक्रिया संयंत्रांमधील उत्पादन ओळी आणि अचूक इलेक्ट्रॉनिक घटकांसाठी उपकरणे पोहोचवणे-हे केवळ ट्रान्समिशन सिस्टमची स्थिरता आणि विश्वासार्हता सुनिश्चित करू शकत नाही तर आवाजामुळे कार्यशाळेच्या वातावरणावर किंवा कर्मचाऱ्यांच्या ऑपरेटिंग अनुभवावर परिणाम होणे देखील टाळू शकते. त्याच वेळी, स्थिर प्रक्षेपण वैशिष्ट्ये उपकरणाच्या कंपनामुळे आसपासच्या घटकांचा पोशाख देखील कमी करू शकतात, संपूर्ण उत्पादन प्रणालीची ऑपरेटिंग स्थिरता आणि सेवा जीवन आणखी सुधारू शकतात.
SWC-DH शॉर्ट फ्लेक्स वेल्डिंग प्रकार युनिव्हर्सल कपलिंग, ज्याला SWC कार्डन शाफ्ट युनिव्हर्सल जॉइंट कपलिंग म्हणून संबोधले जाते, हे मुख्यत्वे रोलिंग मिल्स आणि होइस्ट्स सारख्या जड मशिनरी परिस्थितींमध्ये वापरले जाते. या प्रकारच्या उपकरणांना स्ट्रक्चरल कॉम्पॅक्टनेस आणि लवचिकतेसाठी अत्यंत उच्च आवश्यकता आहेत-केवळ या दोन मुद्द्यांची पूर्तता करून कार्यक्षम ऑपरेशन साध्य केले जाऊ शकते आणि हे जोडणी अशा गरजा पूर्णपणे पूर्ण करते. उच्च-टॉर्क युनिव्हर्सल जॉइंट कपलिंग म्हणून, ते दोन ट्रान्समिशन शाफ्ट्सना नॉन-कॉन्सिडेंट अक्षांसह प्रभावीपणे जोडू शकते, कठोर औद्योगिक वातावरणात देखील अखंड वीज प्रेषण सुनिश्चित करते ज्यांना शाफ्ट सिस्टमच्या चुकीच्या संरेखनासाठी अचूक भरपाई आवश्यक असते.
व्यावहारिक ऍप्लिकेशन्समध्ये, रोलिंग मिलच्या कामासाठी रोलिंग मिल ऑपरेशन्ससाठी विश्वसनीय हेवी-ड्यूटी युनिव्हर्सल जॉइंट कपलिंग आवश्यक असेल किंवा उचल आणि सामग्री हाताळणी उपकरणांमध्ये टिकाऊ SWC युनिव्हर्सल जॉइंट शाफ्ट कपलिंग आवश्यक असेल, हे उत्पादन उत्कृष्टपणे कार्य करू शकते—अत्यंत भाराखाली देखील ते स्थिर उपकरण ऑपरेशन राखू शकते. त्याचा अनुकूलता फायदा विशेषतः कॉम्पॅक्ट उपकरण लेआउटमध्ये प्रमुख आहे जेथे जागा मर्यादित आहे आणि एक लहान लवचिक रचना डिझाइन आवश्यक आहे.
हे SWC-DH इंडस्ट्रियल युनिव्हर्सल जॉइंट कपलिंग प्रगत अभियांत्रिकी तंत्रज्ञानाने तयार केले आहे आणि विशेषत: औद्योगिक परिस्थितींसाठी कार्यप्रदर्शन आणि सेवा जीवनासाठी अनुकूल केले आहे. त्याचे मुख्य संरचनात्मक वैशिष्ट्य त्याच्या वाजवी आणि सुरक्षित डिझाइनमध्ये आहे: एकात्मिक काट्याच्या डोक्याची रचना मूलभूतपणे बोल्ट सैल होण्याचे किंवा तुटण्याचे छुपे धोके दूर करते, एकूण ताकद 30%-50% ने वाढवते. हे डिझाईन केवळ ऑपरेशनची सुरक्षितता आणि विश्वासार्हता सुनिश्चित करत नाही तर पारंपारिक मॉडेलच्या तुलनेत सेवा आयुष्य देखील वाढवते, तसेच हेवी मशिनरी युनिव्हर्सल जॉइंट कपलिंग सिस्टीम सारख्या उच्च-तणाव अनुप्रयोग परिस्थितीत सामान्य अपयशी समस्या टाळते.
याव्यतिरिक्त, त्याची लोड-असर क्षमता अधिक वजन सहन करण्यासाठी डिझाइनद्वारे वाढविली जाते, म्हणून हे SWC हेवी-ड्यूटी युनिव्हर्सल जॉइंट कपलिंग भार सहन करण्याच्या क्षमतेवर कठोर आवश्यकता असलेल्या परिस्थितींसाठी अतिशय योग्य आहे, जसे की खाण मशिनरी आणि बांधकाम उपकरणे. प्रसारण कार्यक्षमतेच्या बाबतीत, ते 98.6% पर्यंत पोहोचते. मोठ्या पॉवर ट्रान्समिशनसाठी एक कार्यक्षम युनिव्हर्सल जॉइंट कपलिंग म्हणून, ते ऊर्जेचा वापर आणि विजेचा खर्च लक्षणीयरीत्या कमी करू शकते, ज्यामुळे ते उच्च-शक्ती औद्योगिक ट्रांसमिशनच्या क्षेत्रात ऊर्जा-बचत युनिव्हर्सल जॉइंट कपलिंग सोल्यूशन्ससाठी एक पसंतीचे उत्पादन बनते.
शेवटी, या कपलिंगमध्ये स्थिर प्रक्षेपण वैशिष्ट्यीकृत आहे, सामान्यतः 30-40 dB(A) वर ऑपरेटिंग नॉइज नियंत्रित केले जाते, ज्यामुळे ते कमी-आवाजाचे सार्वत्रिक सांधे जोडते. हे वैशिष्ट्य नेहमी उच्च विश्वासार्हता राखून आवाज-संवेदनशील औद्योगिक परिस्थितीतही शांतपणे कार्य करण्यास अनुमती देते.
⭐⭐⭐⭐⭐ वांग लेई, प्रकल्प अभियंता, ग्वांगडोंग हेवी मशिनरी कं, लि.
आम्ही काही काळापासून आमच्या जड मशिनरीमध्ये Raydafon चे SWC-DH शॉर्ट फ्लेक्स वेल्डिंग प्रकार युनिव्हर्सल कपलिंग वापरत आहोत, आणि हे एक सुखद आश्चर्य आहे—विशेषत: जेव्हा ते घट्ट ठिकाणी बसवण्याच्या बाबतीत येते. आमच्या उपकरणांमध्ये ट्रान्समिशन भागांसाठी खूपच मर्यादित जागा आहे, परंतु या कपलिंगचे कॉम्पॅक्ट डिझाइन हातमोजेसारखे बसते, फक्त ते कार्य करण्यासाठी इतर घटकांची पुनर्रचना करण्याची आवश्यकता नाही.
याहूनही चांगले म्हणजे ते आकारासाठी कार्यप्रदर्शनाचा त्याग करत नाही. हे अजूनही मजबूत, स्थिर टॉर्क ट्रान्समिशन प्रदान करते—आमच्या हेवी-ड्यूटी ऑपरेशन्ससाठी महत्त्वपूर्ण आहे. आम्ही ते आठवडे सतत चालवले आहे, आणि शून्य असामान्य कंपन आहे; संपूर्ण यंत्रणा सुरळीत राहते. वेल्डिंगची गुणवत्ता ही आणखी एक खास गोष्ट आहे- तुम्ही फक्त ते पाहूनच सांगू शकता की ते ठोस आहे, जे आम्हाला पूर्ण आत्मविश्वास देते की ते दीर्घकालीन जड वापरासाठी टिकून राहतील. जागा-बचत डिझाइन आणि विश्वासार्हता संतुलित करणाऱ्या कपलिंगसाठी, हा एक विजेता आहे.
⭐⭐⭐⭐⭐ झाओ मिंग, प्रोक्योरमेंट मॅनेजर, टियांजिन स्टील इक्विपमेंट कंपनी, लि.
आम्ही अलीकडेच Raydafon कडून अनेक SWC-DH कपलिंगची ऑर्डर दिली आणि मला म्हणायचे आहे की, संपूर्ण खरेदी प्रक्रिया एक झुळूक होती—कोणतीही डोकेदुखी, कोणताही विलंब नाही. आम्ही ऑर्डर पाठवल्याच्या क्षणापासून, त्यांची टीम प्रतिसाद देणारी होती, आणि डिलिव्हरी नियोजित तारखेवर दिसून आली, जे आमचे उत्पादन ट्रॅकवर ठेवण्यासाठी एक मोठा फायदा आहे. पॅकेजिंग देखील उच्च दर्जाचे होते: प्रत्येक कपलिंग सुरक्षितपणे गुंडाळले गेले होते, शिपिंग दरम्यान कोणतेही डेंट किंवा नुकसान झाले नाही—फक्त अनबॉक्स आणि स्थापित करण्यासाठी तयार आहे.
आमच्या तांत्रिक टीमने सेटअप हाताळला आणि ते माउंट करणे किती सोपे आहे ते त्यांनी लगेच सांगितले. कोणतीही क्लिष्ट पायरी नाही, विशेष साधनांचा शोध घेण्याची गरज नाही-त्यांनी ते पटकन फिट केले आणि तेव्हापासून ते विश्वसनीयरित्या चालू आहे. जेव्हा तुम्ही या सातत्यपूर्ण कामगिरीसह जोडलेल्या वाजवी किमतीचा विचार करता, तेव्हा हे कपलिंग उत्तम मूल्य देते हे स्पष्ट आहे. आम्ही ते आमच्या नियमित खरेदी सूचीमध्ये ठेवण्याचा विचार करत आहोत; हे असे उत्पादन आहे जे माझे खरेदीदार म्हणून काम सोपे करते.
⭐⭐⭐⭐⭐ लिऊ हाँग, देखभाल संचालक, शेडोंग औद्योगिक समूह
उपकरणांच्या देखभालीची देखरेख करणारी व्यक्ती म्हणून, माझे सर्वात मोठे प्राधान्य म्हणजे डाउनटाइम कमी करणे आणि माझी टीम सर्व्हिसिंग पार्ट्सवर घालवणारा वेळ कमी करणे. Raydafon चे SWC-DH कपलिंग हे दोन्ही बॉक्स उत्तम प्रकारे तपासते. आम्ही ते उपकरणांमध्ये वापरतो जे दररोज जड कामाच्या ओझ्याखाली चालतात, आणि ते कधीही घसरत नाही किंवा बदलत नाही - घट्टपणे जागेवर राहते, कोणतेही सैल कनेक्शन नसते. अनेक महिन्यांच्या वापरानंतरही, परिधान करण्याचे कोणतेही चिन्ह नाही, जे आम्ही आधी वापरलेल्या इतर कपलिंगच्या तुलनेत खूप मोठे आहे.
त्या जुन्या कपलिंग्ससह, आम्ही नेहमी द्रुत निराकरणे किंवा भाग बदलण्याचे वेळापत्रक करत होतो, जे उत्पादन वेळेत खाल्ले आणि खर्चात वाढ झाली. हे एक? आम्ही त्याला क्वचितच स्पर्श करतो—वारंवार सर्व्हिसिंग नाही, अनपेक्षित ब्रेकडाउन नाही. याने आमचा बराच वेळ आणि पैशाची देखभाल दुरुस्तीवर बचत केली आहे आणि ते आपले काम विश्वासार्हपणे करत राहते. आजकाल, ते आमच्या दैनंदिन कामकाजात एक गो-टू घटक बनले आहे; मला ते अयशस्वी झाल्याबद्दल काळजी करण्याची गरज नाही, जे मला इतर प्राधान्यांवर लक्ष केंद्रित करू देते. प्रत्येक मेंटेनन्स टीमला आवश्यक असणारा हा विश्वसनीय भाग आहे.
पत्ता
Luotuo औद्योगिक क्षेत्र, Zhenhai जिल्हा, Ningbo शहर, चीन
दूरध्वनी
ई-मेल


+86-574-87168065


Luotuo औद्योगिक क्षेत्र, Zhenhai जिल्हा, Ningbo शहर, चीन
कॉपीराइट © Raydafon Technology Group Co., मर्यादित सर्व हक्क राखीव.
Links | Sitemap | RSS | XML | Privacy Policy |
