QR कोड
आमच्याबद्दल
उत्पादने
आमच्याशी संपर्क साधा


फॅक्स
+86-574-87168065

ई-मेल

पत्ता
Luotuo औद्योगिक क्षेत्र, Zhenhai जिल्हा, Ningbo शहर, चीन
जर तुमची जड यंत्रसामग्री-दिवसभर भार उचलणारे बांधकाम गियर किंवा लागवडीच्या हंगामात नॉनस्टॉप काम करणारे कृषी कापणी यंत्राचा विचार करा-असलेल्या कपलिंगची आवश्यकता असेल जे घट्ट जागेत बसेल परंतु तरीही मोठा टॉर्क वितरीत करेल, तर Raydafon चे SWP-G सुपर शॉर्ट फ्लेक्स प्रकार युनिव्हर्सल जॉइंट कपलिंग तुम्हाला नक्की शोधत आहे. हे विशेषत: त्या कॉम्पॅक्ट सेटअपसाठी तयार केले आहे जिथे प्रत्येक इंच मोजला जातो, तुम्हाला आवश्यक असलेल्या पॉवरवर कमी न करता.
प्रथम, आपण त्याच्या आकाराबद्दल बोलूया: ते "सुपर शॉर्ट" डिझाइन हे फक्त एक लेबल नाही - ते इतर कपलिंगपर्यंत पोहोचू शकत नाहीत अशा घट्ट स्पॉट्समध्ये पिळून काढण्यासाठी बनविलेले आहे, जे तुमच्या मशीनरीचे घटक जवळ पॅक केलेले असताना जीवन वाचवणारे आहे. त्याचा gyration व्यास 225mm ते 350mm पर्यंत असतो, त्यामुळे ते मध्यम आकाराच्या जड उपकरणांच्या सेटअपमध्ये बसते. एक लहान फ्लेक्स युनिव्हर्सल जॉइंट कपलिंग म्हणून, ते 5 अंशांपर्यंत कोनीय मिसअलाइनमेंट हाताळते — 224 kN·m पर्यंत टॉर्क वाहून नेत असताना मशिनरी जोरात चालत असताना होणाऱ्या छोट्या शिफ्ट्ससाठी पुरेसे आहे. आणि त्यात एक लवचिक घटक अंतर्भूत आहे, जो धक्के आणि कंपनांना भिजवतो जेणेकरून तुमचे इतर भाग पोशाखांचा फटका बसू नयेत.
आम्ही सामग्रीचे कोपरे देखील कापले नाहीत. हे टिकाऊपणासाठी उच्च-शक्तीचे स्टील आणि कांस्य घटकांसह बनविलेले आहे जे त्याच्या हालचालीमध्ये गुळगुळीतपणा वाढवते — त्यामुळे ते बांधकाम साइट्सच्या खडबडीत आणि गडगडाट किंवा शेतातील धूळ आणि मोडतोड यांना धरून ठेवते. म्हणूनच जड यंत्रसामग्रीसाठी सार्वत्रिक जॉइंट कपलिंगसाठी ही एक सर्वोच्च निवड आहे; हे फक्त एकदाच काम करत नाही - ते चालूच राहते, जरी परिस्थिती गोंधळलेली असते. शेतकऱ्यांसाठी, हे कृषी उपकरणांसाठी एक विश्वासार्ह लवचिक जोडणी देखील आहे, जे तुटल्याशिवाय कापणीच्या हंगामातील दीर्घकाळ हाताळण्यासाठी पुरेसे कठीण आहे.
Raydafon येथे, चीनमधील आमचे उत्पादन ISO 9001 मानकांना काटेकोरपणे चिकटते—प्रत्येक SWP-G कपलिंग गुणवत्तेसाठी तपासले जाते, आम्ही वापरतो त्या स्टीलपासून ते लवचिक घटकांच्या फिटपर्यंत. आम्हाला माहित आहे की कोणत्याही दोन नोकऱ्या सारख्या नसतात, म्हणून आम्ही तयार केलेले उपाय देखील ऑफर करतो - मग तुम्हाला आकारात थोडासा बदल हवा असेल किंवा तुमच्या उपकरणासाठी विशिष्ट समायोजन आवश्यक असेल. आणि सर्वांत उत्तम म्हणजे, त्याची किंमत स्पर्धात्मक आहे—तुम्हाला एक टिकाऊ युनिव्हर्सल जॉइंट कपलिंग मिळते जे तुमच्या जागेत आणि तुमच्या बजेटला बसते. खूप मोठे, खूप कमकुवत किंवा खूप महाग असलेल्या कपलिंगने कंटाळलेल्या प्रत्येकासाठी, हे SWP-G मॉडेल तुम्ही शोधत असलेले नो-फुस, उच्च-कार्यक्षमतेचे समाधान आहे.
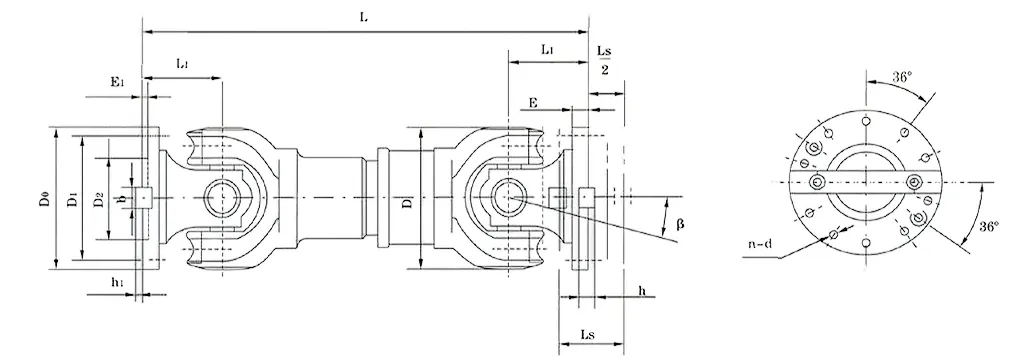
| मॉडेल | SWP225G | बॅच 250 ग्रॅम | SWP285G | SWP315G | SWP350G | |
| D | 225 | 250 | 285 | 315 | 350 | |
| Tn kn.m | 56 | 80 | 112 | 160 | 224 | |
| Tf KN.m | 28 | 40 | 56 | 80 | 112 | |
| β≤ | ५° | ५° | ५° | ५° | ५° | |
| आकार(मिमी) | S | 40 | 40 | 40 | 40 | 50 |
| L | 470 | 600 | 665 | 740 | 850 | |
| D | 275 | 305 | 348 | 360 | 405 | |
| D1 | 248 | 275 | 314 | 328 | 370 | |
| D2(H7) | 135 | 150 | 170 | 185 | 210 | |
| E | 15 | 15 | 18 | 18 | 22 | |
| E1 | 5 | 5 | 7 | 7 | 8 | |
| b-h | 32-18 | 40-18 | 40-24 | 40-24 | 50-32 | |
| h1 | 9 | 9 | 12 | 12 | 16 | |
| L1 | 80 | 100 | 120 | 135 | 150 | |
| n-d | 10-15 | 10-17 | 10-19 | 10-19 | 10-21 | |
| एम(किलो) | 78 | 142 | 190 | 260 | 355 | |
* टीप: चिन्हांकित उदाहरणे: gyration व्यास D=315mm, हप्त्याची लांबी L=620mm, G प्रकार-फ्लेक्स प्रकाराशिवाय शॉर्ट SWP315GX620 कपलिंग
Raydafon चे SWP-G सुपर शॉर्ट फ्लेक्स टाईप युनिव्हर्सल जॉइंट कपलिंग अशा घट्ट स्थळांसाठी तयार केले आहे जिथे तुम्हाला लवचिकता आणि शक्ती दोन्ही आवश्यक आहे. शाफ्ट पूर्णपणे संरेखित नसतानाही, ज्या ठिकाणी अवजड भागांसाठी जागा नाही अशा ठिकाणी टॉर्क कार्यक्षमतेने हलविण्यासाठी बनवले आहे. हे फक्त कोणतेही कपलिंग नाही—हे एक उच्च-टॉर्क युनिव्हर्सल जॉइंट कपलिंग आहे जे जेव्हा तुम्हाला कमी लांबीची गरज असते तेव्हा चमकते परंतु जास्त भार असताना देखील कार्यक्षमतेत कमीपणा आणण्यास नकार देते.
उदाहरणार्थ, बांधकाम उपकरणे आणि अवजड यंत्रसामग्री घ्या. खडतर मातीत खोदणारे उत्खनन करणारे, टन सामग्री हलवणारे लोडर—त्या सर्वांमध्ये घट्ट मोकळी जागा आहे जिथे भाग एकमेकांना घासतात. SWP-G औद्योगिक यंत्रसामग्रीसाठी एक विश्वासार्ह युनिव्हर्सल जॉइंट कपलिंग, कंपनांना भिजवून आणि ही मशीन हाताळत असलेल्या सतत हालचाली हाताळण्यासाठी अगदी योग्य आहे. त्याची सुपर शॉर्ट डिझाईन गडबड न करता अरुंद असेंब्लीमध्ये सरकते, टिकाऊपणाचा त्याग न करता किंवा ते किती चांगले कार्य करते याचा त्याग न करता शक्ती मिळेल तेथे पोहोचते.
शेतकरीही त्याचे कौतुक करतील. असमान शेतात नांगरणी करणारे ट्रॅक्टर, खडबडीत प्रदेशात काम करणारे कापणी करणारे-त्यांना जोडणीची गरज असते जे खडबडीत राइड्स आणि बदलत्या वेगात टिकून राहू शकतात. हे SWP-G शेतीच्या गीअरमधील ड्राईव्ह शाफ्टसाठी एक बळकट युनिव्हर्सल जॉइंट कपलिंग म्हणून काम करते, ऑफ-रोड वर्कसह येणाऱ्या कोनीय चुकीच्या संरेखनांशी जुळवून घेते. याचा अर्थ यंत्रसामग्रीवर कमी पोशाख, त्यामुळे फील्डची परिस्थिती उग्र असतानाही ते जास्त काळ टिकते.
सागरी सेटअप्सनाही ते आवडते, विशेषत: बोटीवरील घट्ट इंजिन कंपार्टमेंटमध्ये. खारट पाणी आणि ओलावा त्याच्या गंज-प्रतिरोधक बिल्डच्या विरोधात उभे राहू शकत नाही, ज्यामुळे ते सागरी सार्वत्रिक सांधे जोडणी म्हणून एक शीर्ष निवड बनते. हे लाटांवरील डायनॅमिक भार आणि प्रोपल्शन सिस्टीमचा धक्का हाताळते, तुम्ही समुद्रात किंवा व्यस्त बंदरात असलात तरीही गोष्टी सुरळीतपणे चालू ठेवतात.
आणि नवीकरणीय उर्जा विसरू नका—उंच वर फिरणारे पवन टर्बाइन, सूर्यासोबत फिरणारे सौर ट्रॅकर. या प्रणालींना मर्यादित जागांवर अचूक नियंत्रण आवश्यक आहे आणि SWP-G अक्षय ऊर्जा उपकरणांसाठी एक अष्टपैलू सार्वत्रिक संयुक्त जोडणी म्हणून पुढे जाते. हे जास्त प्रतिवाद न करता उच्च टॉर्क व्यवस्थापित करते, त्यामुळे तुम्हाला देखरेखीची फारशी गरज नसताना विश्वासार्ह कार्यप्रदर्शन मिळते - शाश्वत ऊर्जा प्रणाली मजबूत चालू ठेवण्यासाठी योग्य.
Raydafon वर, आम्ही फक्त SWP-G विकत नाही - आम्ही ते तुमच्या गरजेनुसार तयार करतो. तुम्ही बांधकाम गीअर, फार्म मशिनरी, बोटी किंवा नूतनीकरणक्षम ऊर्जा सेटअपवर काम करत असलात तरीही, तुम्ही जे तयार करत आहात त्यामध्ये बसण्यासाठी आम्ही ते समायोजित करू शकतो. तुम्हाला हे कपलिंग तुमचे ऑपरेशन कसे सुरळीत बनवू शकते हे पाहायचे असल्यास, आमच्या टीमशी संपर्क साधा. आम्ही तुम्हाला दाखवू की घट्ट जागा आणि कठीण नोकऱ्यांसाठी ही स्मार्ट निवड का आहे.
Raydafon चे SWP-G सुपर शॉर्ट फ्लेक्स टाईप युनिव्हर्सल जॉइंट कपलिंग त्याच्या कॉम्पॅक्ट बिल्डसाठी पहिले आहे - ही गोष्ट घट्ट मेकॅनिकल सेटअपमध्ये दाबण्यासाठी डिझाइन केलेली आहे जिथे जागा प्रीमियम आहे, परंतु ती लवचिकता किंवा टॉर्कमध्ये कधीही कमी पडत नाही. तुम्ही उच्च-टॉर्क जॉब्स हाताळत असल्यास, ते उच्च-स्तरीय उच्च-टॉर्क युनिव्हर्सल जॉइंट कपलिंग आहे: त्यात प्रगत फ्लेक्स घटक आहेत जे ते कार्यप्रदर्शनात गोंधळ न घालता खूप मोठे कोनीय चुकीचे संरेखन हाताळू देतात, जे डायनॅमिक वातावरणासाठी गेम-चेंजर आहे जिथे शाफ्ट मशीनरी चालत असताना बदलतात.
टिकाऊपणा हा येथे आणखी एक मोठा विजय आहे. आम्ही कठीण, उच्च-शक्तीची सामग्री वापरतो आणि प्रत्येक भाग अचूकपणे तयार करतो, त्यामुळे ते नॉनस्टॉप चालू असतानाही ते पोशाख आणि थकवा सहन करते. त्यामुळे ते औद्योगिक यंत्रसामग्रीसाठी एक ठोस सार्वत्रिक संयुक्त जोडणी बनवते—दिवसभर चालणारे पंप किंवा सतत भाराखाली कंप्रेसरचा विचार करा. हे धक्के आणि कंपनांना भिजवते, पॉवर ट्रान्समिशन स्थिर ठेवते जेणेकरून तुमच्या उपकरणांवर अनावश्यक ताण पडत नाही.
त्याची सुपर शॉर्ट लांबी ड्राइव्ह सिस्टीमसाठी देखील एक जीवनरक्षक आहे. तुम्ही ऑटोमोटिव्ह किंवा ट्रान्सपोर्टेशन सेटअपवर काम करत असताना, प्रत्येक इंच महत्त्वाचा असतो—आणि हे कपलिंग ड्राईव्ह शाफ्टसाठी एक कार्यक्षम युनिव्हर्सल जॉइंट कपलिंग म्हणून योग्य बसते. हे बोल्ट केलेले किंवा की केलेले कनेक्शन वापरते, त्यामुळे ते जोडणे जलद होते आणि ते नंतर देखभाल वेळेत कपात करते. शिवाय, ते अक्षीय हालचाली चांगल्या प्रकारे हाताळते, त्यामुळे वापरादरम्यान भाग शिफ्ट झाल्यामुळे ते घसरते किंवा चुकीचे बसते याची काळजी करण्याची गरज नाही.
गंज प्रतिकार? ते कव्हर केले आहे. आम्ही संरक्षणात्मक कोटिंग्ज जोडतो जे कठोर सामग्रीस उभे राहतात—जसे सागरी सेटअपमध्ये खारे पाणी. म्हणूनच हे प्रणोदन प्रणालींसाठी सागरी सार्वत्रिक सांधे जोडणी म्हणून उत्तम कार्य करते: ते समुद्रात मीठ स्प्रे आणि परिवर्तनीय भार गंजल्याशिवाय किंवा तुटल्याशिवाय हाताळू शकते, बोटी सुरळीत चालू ठेवू शकतात.
आणि जर तुम्ही इको-फ्रेंडली सेटअपवर लक्ष केंद्रित करत असाल, तर हे कपलिंग तिथेही वितरीत करते. हे केवळ कोणत्याही प्रतिक्रियेसह अचूकपणे ऊर्जा हस्तांतरित करते, त्यामुळे ते उर्जा वाया घालवत नाही. यामुळे ते अक्षय ऊर्जा उपकरणांसाठी एक विश्वासार्ह सार्वत्रिक संयुक्त जोडणी बनते—वाऱ्यात फिरणाऱ्या विंड टर्बाइनसाठी किंवा सूर्यासोबत फिरणाऱ्या सौर ट्रॅकर्ससाठी योग्य. हे त्या शाश्वत प्रणाली कार्यक्षमतेने चालू ठेवते, जी तुम्हाला हरित ऊर्जा प्रकल्पांसाठी आवश्यक आहे.
Raydafon वर, आम्ही सुनिश्चित करतो की प्रत्येक SWP-G कठोर गुणवत्ता मानकांची पूर्तता करतो आणि तुमच्या विशिष्ट गरजा पूर्ण करण्यासाठी आम्ही त्यात बदल करू शकतो—मग तुम्हाला वेगळ्या कोटिंगची, थोडीशी समायोजित लांबीची किंवा कस्टम कनेक्शनची आवश्यकता असेल. तुम्हाला त्याच्या वैशिष्ट्यांबद्दल किंवा ते तुमच्या सेटअपमध्ये कसे समाकलित करायचे याबद्दल अधिक जाणून घ्यायचे असल्यास, फक्त आमच्या तज्ञांशी बोला. तुमच्या मशिनरीला नेमके काय हवे आहे ते मिळवण्यात आम्ही तुम्हाला मदत करू.
⭐⭐⭐⭐⭐ ली जियान, वरिष्ठ अभियंता, शांघाय इंडस्ट्रियल इक्विपमेंट कं, लि.
आमच्याकडे Raydafon चे SWP-G सुपर शॉर्ट फ्लेक्स टाईप युनिव्हर्सल जॉइंट कपलिंग आमच्या उत्पादन लाइनवर काही महिन्यांपासून आहे आणि आम्ही ज्याची अपेक्षा केली होती त्यापेक्षा ते प्रामाणिकपणे पार पाडले आहे. आमची मशीन नेहमी जागेवर घट्ट असते—प्रत्येक इंच महत्त्वाची असते—आणि या कपलिंगची कॉम्पॅक्ट डिझाईन त्यांच्यासाठी बनवल्याप्रमाणे बसते, जागा तयार करण्यासाठी आणखी काही भाग दाबले जात नाहीत. परंतु ते कार्यात कमीपणा आणत नाही, एकतर: थोडेसे विसंगत असतानाही (जे जास्त वापरासह अपरिहार्य आहे), त्याची लवचिकता पॉवर ट्रान्समिशन सुरळीत ठेवते, कोणताही धक्का किंवा अडचण येत नाही.
हे देखील कठीण आहे — घाम न गाळता उच्च-टॉर्क कार्ये हाताळते आणि अनेक महिने धावल्यानंतर, आम्ही क्वचितच परिधान केलेले पाहिले आहे. प्रतिष्ठापन एक जलद काम होते, खूप; आमच्या टीमने ते काही वेळातच सेट केले होते आणि तेव्हापासून ते विश्वासार्ह आहे. जागा-मर्यादित गियर असलेल्या प्रत्येकासाठी ज्यांना अद्याप हेवी-ड्युटी कामगिरीची आवश्यकता आहे, हे कपलिंग नो-ब्रेनर आहे.
⭐⭐⭐⭐⭐ एमिली वॉकर, तांत्रिक संचालक, न्यूयॉर्क मॅन्युफॅक्चरिंग सोल्युशन्स, यूएसए
आम्ही आमच्या न्यूयॉर्कच्या सुविधेवर Raydafon च्या SWP-G साठी आमचे जुने, अवजड कपलिंग बदलले आणि पहिल्या दिवसापासून फरक स्पष्ट दिसत होता. त्या जुन्या युनिट्सनी खूप जागा घेतली आणि त्यांना नेहमीच अडाणी वाटली—परंतु हे अगदी घट्ट जागेत बसते आणि पॉवर ट्रान्सफर? गुळगुळीत आणि स्थिर, जरी आम्ही उच्च भार हाताळण्यासाठी मशीनला ढकलत असतो.
सर्वात मोठा विजय, तथापि, डाउनटाइम आहे. जुने कपलिंग सुधारण्यासाठी किंवा दुरुस्त करण्यासाठी आम्ही दर काही आठवड्यांनी उत्पादन बंद करायचो, परंतु यासह? क्वचितच. देखरेखीचा खर्चही कमी झाला आहे - अधिक वारंवार भाग बदलणे किंवा आपत्कालीन दुरुस्ती नाही. आणि जेव्हा आम्हाला इंस्टॉलेशनबद्दल प्रश्न पडला तेव्हा, Raydafon ची ग्राहक सेवा स्पष्ट उत्तरांसह आमच्याकडे परत आली. आम्ही आधीच त्यांची उत्पादने आमच्या पुढील अपग्रेडसाठी वापरण्याची योजना आखत आहोत; त्यांनी आमचा विश्वास संपादन केला आहे.
⭐⭐⭐⭐⭐ अँड्रिया रॉसी, ऑपरेशन्स मॅनेजर, मिलान अभियांत्रिकी, इटली
आमच्या मिलान मशीनरीमध्ये Raydafon चे SWP-G कपलिंग जोडणे हे आमच्या उच्च-परिशुद्धतेच्या कामासाठी आम्ही केलेल्या सर्वोत्तम कॉलपैकी एक होते. आमच्या कार्यपद्धतीमध्ये, जागा आणि संरेखन हे मेक-ऑर-ब्रेक आहेत—जर एखादा भाग खूप मोठा असेल किंवा लहान चुकीचे संरेखन हाताळू शकत नसेल, तर ते संपूर्ण प्रक्रिया बंद करते. हे कपलिंग दोन्ही बॉक्स तपासते: त्याचा लहान आकार आमच्या घट्ट सेटअपमध्ये बसतो आणि लवचिक डिझाइन ऑपरेशन्स सुरळीत ठेवते, आम्हाला आवश्यक असलेल्या किरकोळ समायोजनांची पर्वा नाही.
आम्ही ते स्थापित केल्यापासून, आमच्याकडे देखभालीची डोकेदुखी कमी आहे—संरेखन समस्यांचे निराकरण करण्यासाठी किंवा खराब झालेले भाग पुनर्स्थित करण्यासाठी उत्पादन थांबवू नका. आणि जेव्हा आपण ते उच्च वेगाने चालवतो (जे आपण दररोज करतो), ते उत्तम प्रकारे धरून ठेवते. टिकाऊपणानुसार, ते आमच्या अपेक्षेपेक्षा जास्त आहे—महिन्यांच्या प्रचंड वापरानंतर, ते अजूनही नवीनसारखे दिसते आणि कार्य करते. अचूक कामासाठी तुम्हाला उच्च-गुणवत्तेची जोडणी हवी असल्यास, Raydafon चा मार्ग आहे.
⭐⭐⭐⭐⭐ जीन-क्लॉड लेफेव्हरे, देखभाल पर्यवेक्षक, ल्योन मेकॅनिकल वर्क्स, फ्रान्स
आम्ही Raydafon चे SWP-G कपलिंग आमच्या मशीनमध्ये सहा महिन्यांहून अधिक काळ चालवत आहोत आणि आमच्या टीमसाठी ते गेम चेंजर आहे. सर्वप्रथम, कॉम्पॅक्ट डिझाइन—आमच्या उपकरणांमध्ये अशा घट्ट जागा आहेत आणि हे कपलिंग आम्हाला इतर भागांची पुनर्रचना करण्याची गरज न पडता सरळ सरकते. मग लवचिकता आहे: यामुळे आमच्या मशीनवरील ताण कमी होतो, याचा अर्थ इतर घटकांवर कमी पोशाख आणि कमी ब्रेकडाउन.
आम्ही जड भार चालवत असतानाही, त्याचे कार्यप्रदर्शन सातत्यपूर्ण राहते—कोणतेही कमी नाही, कोणतेही विचित्र आवाज नाही, फक्त विश्वसनीय ऑपरेशन. प्रतिष्ठापन सोपे होते, खूप; आमच्या तंत्रज्ञानाला ते शोधण्यात तास घालवण्याची गरज नव्हती. सर्वोत्तम भाग? कमी डाउनटाइममुळे आमची उत्पादन लाइन कार्यक्षमता आता खूप वाढली आहे. आम्ही Raydafon ची उत्पादने वापरत राहू - या कपलिंगने हे सिद्ध केले आहे की ते फायदेशीर आहे.
Raydafon चे SWP-G सुपर शॉर्ट फ्लेक्स टाईप युनिव्हर्सल जॉइंट कपलिंग लवचिक टॉर्क ट्रान्समिशन वापरून कार्य करते—याला शाफ्टमधील पूल समजा जे कनेक्शन तोडल्याशिवाय थोडे हलवू शकते. हे चुकीचे संरेखन हाताळण्यासाठी इलॅस्टोमेरिक घटक (लवचिक, रबरसारख्या भागांसाठी फॅन्सी) वापरते, सर्व काही ऊर्जा वाया न घालवता एका शाफ्टमधून दुसऱ्या शाफ्टपर्यंत पोहोचते याची खात्री करते. कॉम्पॅक्ट हाय-टॉर्क युनिव्हर्सल जॉइंट कपलिंग म्हणून, त्यात एक मध्यवर्ती लवचिक डिस्क किंवा स्पायडर आहे जो कोनीय, अक्षीय आणि रेडियल शिफ्ट्स भिजवतो—त्यामुळे शाफ्ट पूर्णपणे रांगेत नसतानाही, रोटेशन गुळगुळीत राहते, अगदी त्या घट्ट जागेत जिथे प्रत्येक इंच मोजला जातो.
ते कसे कार्य करते याचे हृदय त्याच्या सुपर शॉर्ट डिझाइनमध्ये आहे. हे कठीण, लवचिक घटक एकत्र करते जे ऑफसेट्सची भरपाई करण्यासाठी लोडखाली थोडे वाकू शकतात, जे तुमच्या यंत्रसामग्रीला मारण्यापासून जास्त ताण ठेवतात. म्हणूनच औद्योगिक यंत्रसामग्रीसाठी हे एक घन सार्वभौम सांधे जोडलेले आहे—वेग किंवा भार बदलत असलात तरी, ते कोणत्याही प्रतिक्रियेसह रोटेशनल फोर्स पास करते, त्यामुळे तुमचे उपकरण स्थिर राहते.
येथे ब्रेकडाउन आहे: इनपुट शाफ्ट फिरतो, जो लवचिक घटक हलवतो आणि तो घटक नंतर टॉर्कला आउटपुट शाफ्टमध्ये पुरेसा वाकवून घेऊन जातो—कोणतेही धक्का नाही, अचानक थांबणे नाही. ड्राइव्ह शाफ्टसाठी ही एक मोठी गोष्ट आहे, ज्यामुळे ऑटोमोटिव्ह ड्राईव्हट्रेन सारख्या सेटअपमध्ये ड्राईव्ह शाफ्टसाठी एक विश्वासार्ह युनिव्हर्सल जॉइंट कपलिंग बनते, जिथे तुम्हाला अचूक संरेखन आवश्यक आहे परंतु काम करण्यासाठी भरपूर जागा नाही.
जेव्हा गोष्टी खडबडीत होतात-जसे की बोटीभोवती लाटा फेकणाऱ्या सागरी वातावरणात-SWP-G चे फ्लेक्स डिझाइन कंपने आणि धक्के कमी करते, ज्यामुळे ते जास्त काळ टिकण्यास मदत होते. हे एक कठीण सागरी सार्वत्रिक सांधे जोडणे आहे कारण ते लवचिक भाग गंजांना प्रतिकार करतात आणि लाटांपासून पुढे-मागे हालचाल हाताळतात, पाणी कितीही चिडले तरीही प्रणोदन कार्यक्षम ठेवतात.
आणि ग्रीन एनर्जी सेटअपसाठी? हे तत्व तिथेही चमकते. हे ऊर्जा कार्यक्षमतेने हलवते, क्वचितच कोणत्याही नुकसानीसह, ते अक्षय ऊर्जा उपकरणांसाठी एक उत्कृष्ट सार्वत्रिक संयुक्त जोड बनवते. ते कॉम्पॅक्ट सोलर ट्रॅकर्स असोत किंवा लहान विंड टर्बाइनमध्ये असोत, ते वीज वाया न घालवता गोष्टी सुरळीतपणे चालू ठेवते—शाश्वत प्रणालींसाठी योग्य आहे जिथे प्रत्येक कार्यक्षमतेची गणना होते.
Raydafon वर, आम्ही SWP-G विश्वासार्ह आणि तुमच्या विशिष्ट गरजा पूर्ण करण्यासाठी तयार करतो. तुम्हाला तांत्रिक तपशील हवे असल्यास किंवा ते तुमच्या सेटअपमध्ये कसे बसते हे शोधण्यात मदत हवी असल्यास, आमचे विशेषज्ञ तुम्हाला त्यावर मार्गदर्शन करण्यासाठी येथे आहेत—कोणतीही शब्दरचना नाही, फक्त सरळ उत्तरे.
पत्ता
Luotuo औद्योगिक क्षेत्र, Zhenhai जिल्हा, Ningbo शहर, चीन
दूरध्वनी
ई-मेल


+86-574-87168065


Luotuo औद्योगिक क्षेत्र, Zhenhai जिल्हा, Ningbo शहर, चीन
कॉपीराइट © Raydafon Technology Group Co., मर्यादित सर्व हक्क राखीव.
Links | Sitemap | RSS | XML | गोपनीयता धोरण |
